LEMON Manuals: Even more car manuals for everyone: 1960-2025
Home >> Honda >> 2011 >> Insight Base >> Repair and Diagnosis (Single Page) >> Transmission >> Automatic Trans >> Continuously Variable Transmission (CVT) >> System Description >> Shift Lock System >> Circuit Diagram - PCM CVT Control System-Five position Transmission
April 5, 2026: LEMON Manuals is launched! Read the announcement.

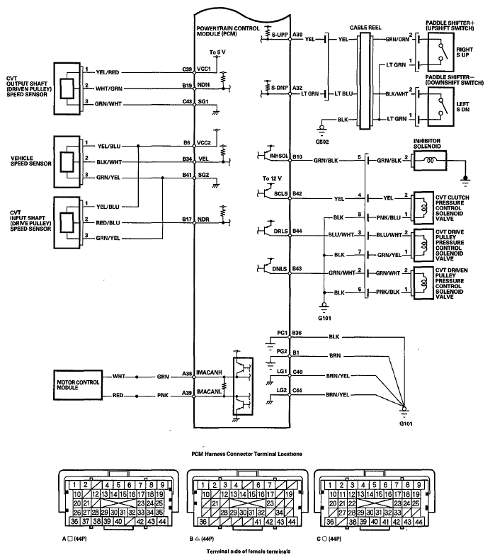
Circuit Diagram - PCM CVT Control System-Five position Transmission

Fig 1: PCM CVT Control System-Five Position Transmission - Circuit Diagram (1 Of 2)
G06430054Courtesy of AMERICAN HONDA MOTOR CO., INC.


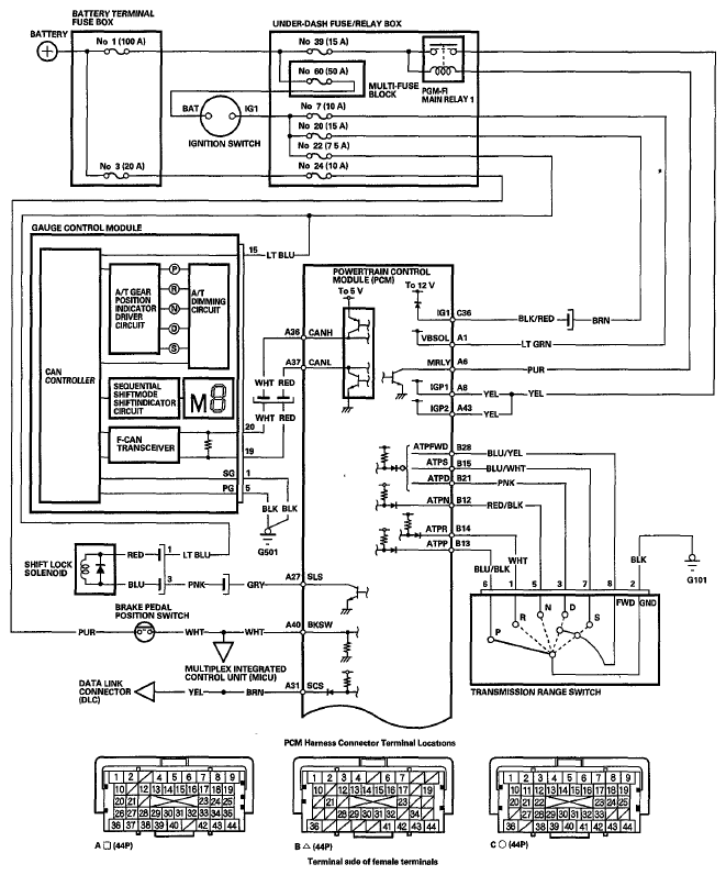
Fig 1: PCM CVT Control System-Five Position Transmission - Circuit Diagram (2 Of 2)
G06430055Courtesy of AMERICAN HONDA MOTOR CO., INC.