LEMON Manuals: Even more car manuals for everyone: 1960-2025
Home >> Honda >> 2011 >> Insight Base >> Repair and Diagnosis >> Body & Frame >> Ignition Switch/Steering Lock >> Circuit Diagram
April 5, 2026: LEMON Manuals is launched! Read the announcement.

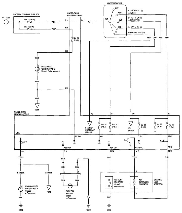
Circuit Diagram

Fig 1: Ignition Switch Circuit Diagram
G06431485Courtesy of AMERICAN HONDA MOTOR CO., INC.