LEMON Manuals: Even more car manuals for everyone: 1960-2025
Home >> Honda >> 2011 >> Insight Base >> Repair and Diagnosis >> Body & Frame >> Seats >> Front Seat-back Cover Replacement
April 5, 2026: LEMON Manuals is launched! Read the announcement.

Front Seat-back Cover Replacement

Special Tools Required 

KTC Trim Tool Set SOJATP2014*

*Available through the Honda Tool and Equipment Program, 888-424-6857

SRS components are located in this area. Review the SRS component locations (see COMPONENT LOCATION INDEX ) and the precautions and procedures (see PRECAUTIONS AND PROCEDURES ) before doing repairs or service.

Do the OPDS sensor initialization (see ODS UNIT INITIALIZATION ) after front passenger's seat-back cover replacement.

NOTE:
  • Put on gloves to protect your hands.
  • Take care not to tear or damage the seat covers.
  • Use the appropriate tool from the KTC trim tool set to avoid damage when removing components.
  • On the passenger's seat, do not touch the OPDS sensor in the seat-back pad, and keep it away from oil. Oil can corrode the sensor causing it to fail.
  1. Remove the front seat (see FRONT SEAT REMOVAL/INSTALLATION  ).
  2. From under the seat cushion, pull the outside portion of the seat cushion cover (A) back, and release the Velcro fastener (B). The driver's seat is shown; the passenger's seat is similar.
    Fig 1: Identifying Seat Cushion Cover And Velcro Fastener
    G06431118Courtesy of AMERICAN HONDA MOTOR CO., INC.
  3. From under the seat cushion, remove the wire ties (A), and detach the wire harness clip (B) and the side airbag connector (C), then pull the wire harness out from under the seat cushion.

    Driver's seat 

    Fig 2: Identifying Wire Harness Clip And Side Airbag Connector (Driver's Seat)
    G06431119Courtesy of AMERICAN HONDA MOTOR CO., INC.

    Passenger's seat 

    Fig 3: Identifying Wire Harness Clip And Side Airbag Connector (Passenger's Seat)
    G06431120Courtesy of AMERICAN HONDA MOTOR CO., INC.
  4. From behind the seat-back, release the hook (A), and unzip the seat-cover (B).
    Fig 4: Identifying Seat-Cover And Hook
    G06431121Courtesy of AMERICAN HONDA MOTOR CO., INC.
  5. Pull back the seat-back cover (A), then release the hook strips (B) from the seat-back frame.
    Fig 5: Identifying Seat-Back Cover And Hook Strips
    G06431122Courtesy of AMERICAN HONDA MOTOR CO., INC.
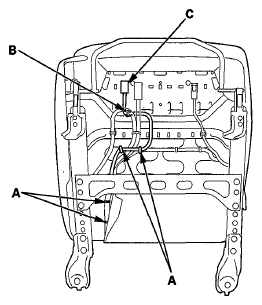
  6. Release airbag attachment wire A and airbag attachment wire B from the seat-back frame (C).
    Fig 6: Identifying Seat-Back Frame
    G06431123Courtesy of AMERICAN HONDA MOTOR CO., INC.
  7. Passenger's seat: Remove the ODS unit cover (A).
    1. Turn over the seat-back cover (B) and the pad (C) as needed.
    2. Release the cover from the lower hooks (D).
    3. Pull the cover upward to release it from the upper hook (E).
    Fig 7: Releasing Upper Hook
    G06431124Courtesy of AMERICAN HONDA MOTOR CO., INC.
  8. Passenger's seat: Disconnect the ODS unit harness connector (F) and the OPDS sensor connectors (G).
  9. Passenger's seat: Detach the harness clips (A) fastening the OPDS sensor harnesses (B) and the ODS unit harness (C).
    Fig 8: Detaching Harness Clips And OPDS Sensor Harnesses
    G06431125Courtesy of AMERICAN HONDA MOTOR CO., INC.
  10. Passenger's seat: Pull out the side airbag harness (A) and the ODS unit harness (B) through the holes (C) in the seat-back pad (D) and the seat-back cover (E).
    Fig 9: Identifying Side Airbag Harness And ODS Unit Harness (Passenger's Seat)
    G06431126Courtesy of AMERICAN HONDA MOTOR CO., INC.
  11. Driver's seat: Pull out the side airbag harness (A) through the harness hole (B) in the seat-back pad (C) and the seat-back cover (D).
    Fig 10: Identifying Side Airbag Harness And ODS Unit Harness (Driver's Seat)
    G06431127Courtesy of AMERICAN HONDA MOTOR CO., INC.
  12. Pinch the tabs (A) on the end of the head restraint guides (B), and remove the guides from the seat-back.
    Fig 11: Pinching Tabs On End Of Head Restraint Guides
    G06431128Courtesy of AMERICAN HONDA MOTOR CO., INC.
  13. Remove the seat-back cover/pad (A) from the seatback frame (B).
    Fig 12: Identifying Seat-Back Cover And Pad
    G06431129Courtesy of AMERICAN HONDA MOTOR CO., INC.
  14. Pull back the edge of the seat-back cover all the way around, and release the clips (A), then remove the seat-back cover (B).
    Fig 13: Identifying Seat Cover And Clips
    G06431130Courtesy of AMERICAN HONDA MOTOR CO., INC.
  15. Remove airbag attachment wire A from the inner reinforcing cloth (C) and airbag attachment wire B from the outer reinforcing cloth (D).
    Fig 14: Identifying Airbag Attachment Wire
    G06431131Courtesy of AMERICAN HONDA MOTOR CO., INC.
  16. Install the cover in the reverse order of removal, and note these items:
    • Before installing the seat-back cover, make sure airbag attachment wires A and B are installed correctly in the reinforcing cloths (C).
    • Reinstall airbag attachment wires A and B securely.
    • Replace any clips (D) you removed with new ones.
    • Use only original Honda replacement seat-back covers.
    • Make sure the side airbag harness and the ODS unit harness (passenger's seat) are routed properly.
Fig 15: Identifying Side Airbag Harness And ODS Unit Harness
G06431132Courtesy of AMERICAN HONDA MOTOR CO., INC.
Fig 16: Identifying Front Seat Clips Location
G06431133Courtesy of AMERICAN HONDA MOTOR CO., INC.