LEMON Manuals: Even more car manuals for everyone: 1960-2025
Home >> Honda >> 2011 >> Insight Base >> Repair and Diagnosis >> Brakes >> Traction Control >> Abs Components >> Circuit Diagram
April 5, 2026: LEMON Manuals is launched! Read the announcement.

Circuit Diagram

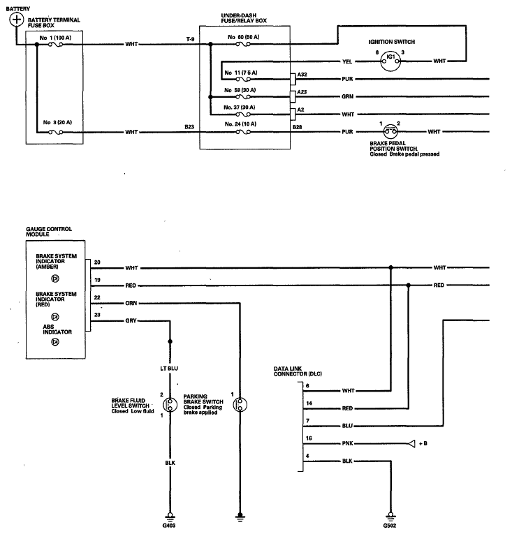
Fig 1: ABS Component Circuit Diagram (1 Of 2)
G06430785Courtesy of AMERICAN HONDA MOTOR CO., INC.
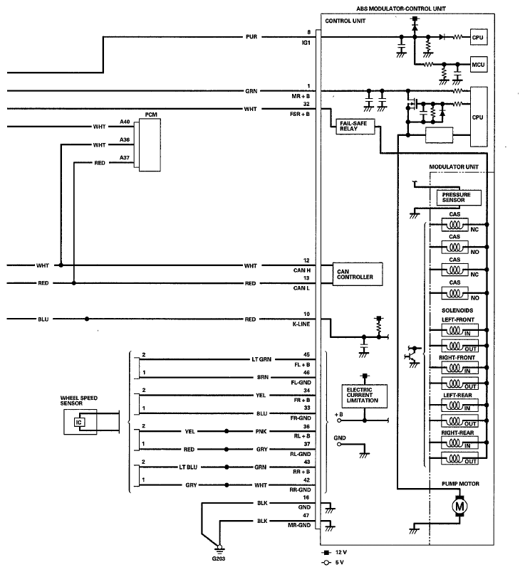
Fig 2: ABS Component Circuit Diagram (2 Of 2)
G06430786Courtesy of AMERICAN HONDA MOTOR CO., INC.
Fig 3: ABS Connector Chart
G06430787Courtesy of AMERICAN HONDA MOTOR CO., INC.