LEMON Manuals: Even more car manuals for everyone: 1960-2025
Home >> Honda >> 2011 >> Insight Base >> Repair and Diagnosis >> Engine Mechanical >> Lubrication System >> Engine Lubrication System >> Component Location index
April 5, 2026: LEMON Manuals is launched! Read the announcement.

Component Location index

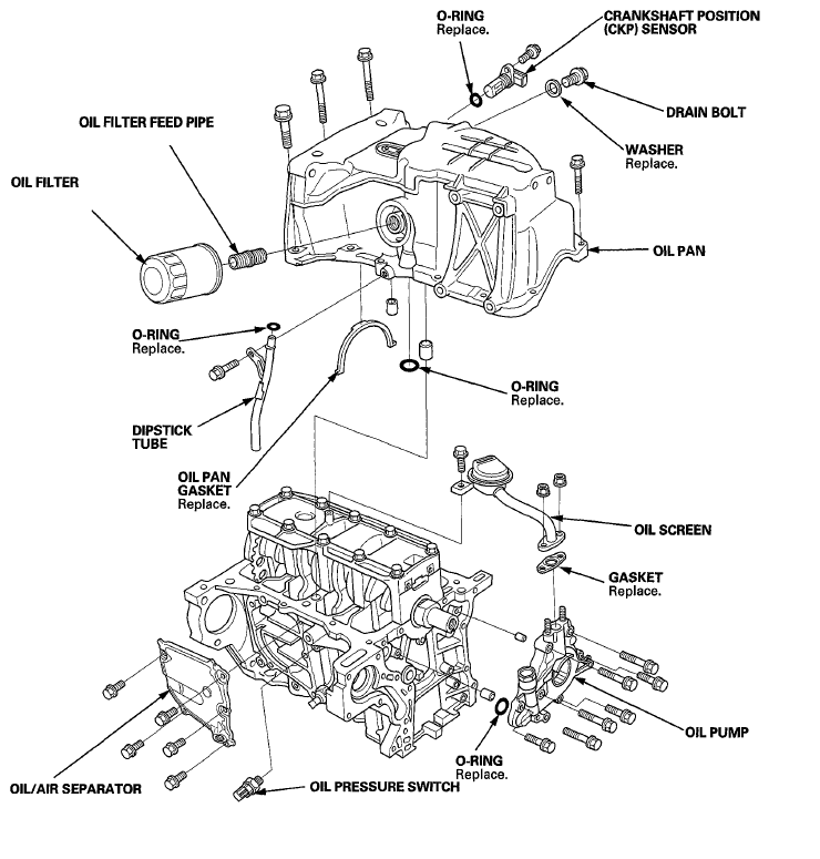
Fig 1: Identifying Engine Lubrication Component Location
G06429038Courtesy of AMERICAN HONDA MOTOR CO., INC.