LEMON Manuals: Even more car manuals for everyone: 1960-2025
Home >> Honda >> 2011 >> Insight Base >> Repair and Diagnosis >> Engine Performance >> System >> Advanced Diagnostics >> DTC P0351: Intake Side Ignition Coil Power Circuit Malfunction >> Notes
April 5, 2026: LEMON Manuals is launched! Read the announcement.

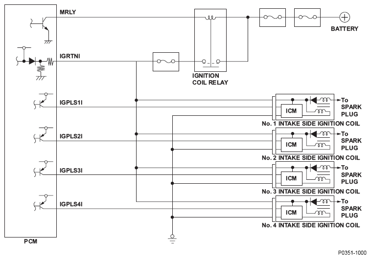
DTC P0351: Intake Side Ignition Coil Power Circuit Malfunction: Notes

Fig 1: Intake Side Ignition Coil Power Circuit Diagram
G06617478Courtesy of AMERICAN HONDA MOTOR CO., INC.