LEMON Manuals: Even more car manuals for everyone: 1960-2025
Home >> Honda >> 2011 >> Insight Base >> Repair and Diagnosis >> Engine Performance >> System >> Fuel System & Emissions System >> System Description >> PCM Electrical Connections
April 5, 2026: LEMON Manuals is launched! Read the announcement.

PCM Electrical Connections

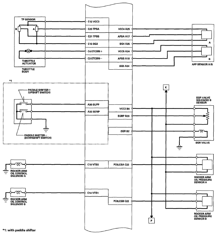
Fig 1: PCM Electrical Connections - Circuit Diagram (1 Of 6)
G06429159Courtesy of AMERICAN HONDA MOTOR CO., INC.
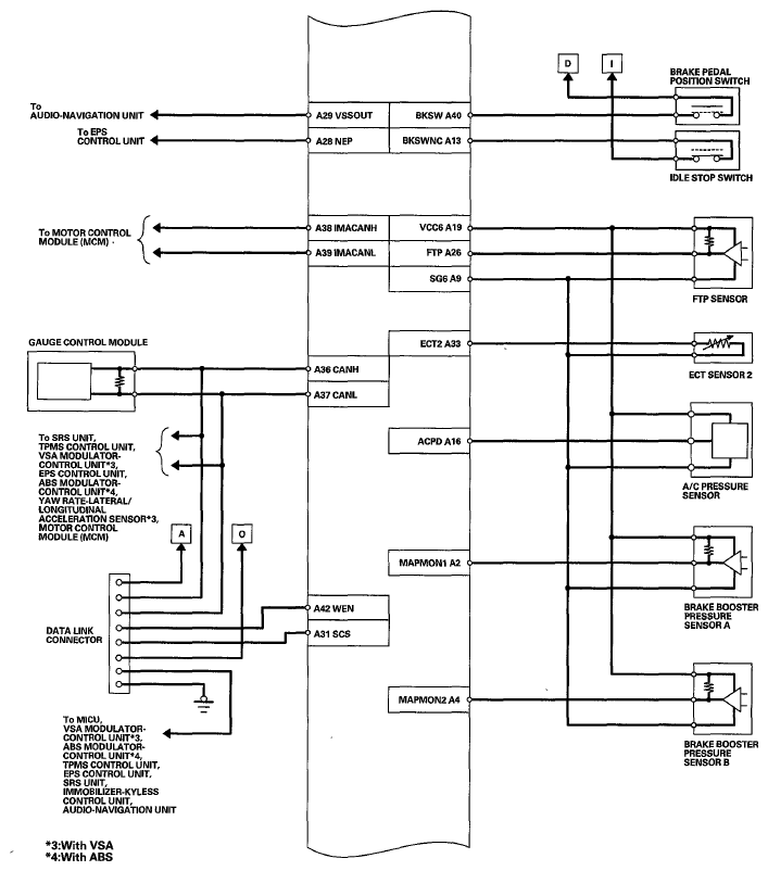
Fig 2: PCM Electrical Connections - Circuit Diagram (2 Of 6)
G06429160Courtesy of AMERICAN HONDA MOTOR CO., INC.
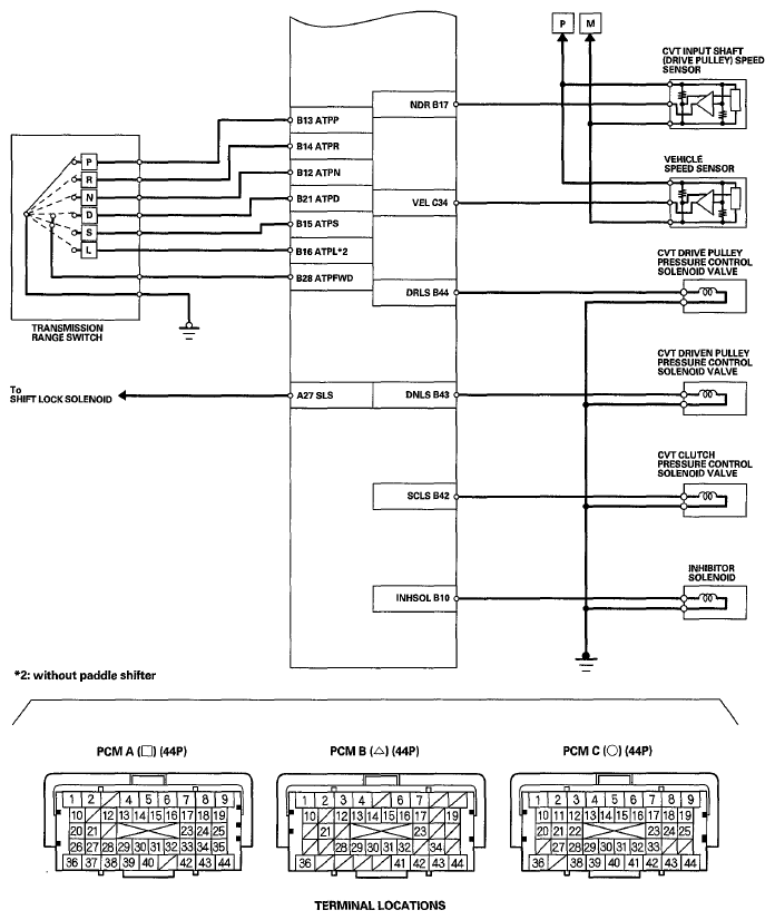
Fig 3: PCM Electrical Connections - Circuit Diagram (3 Of 6)
G06429161Courtesy of AMERICAN HONDA MOTOR CO., INC.
Fig 4: PCM Electrical Connections - Circuit Diagram (4 Of 6)
G06429162Courtesy of AMERICAN HONDA MOTOR CO., INC.
Fig 5: PCM Electrical Connections - Circuit Diagram (5 Of 6)
G06429163Courtesy of AMERICAN HONDA MOTOR CO., INC.
Fig 6: PCM Electrical Connections - Circuit Diagram (6 Of 6)
G06429164Courtesy of AMERICAN HONDA MOTOR CO., INC.