LEMON Manuals: Even more car manuals for everyone: 1960-2025
Home >> Honda >> 2011 >> Insight Base >> Repair and Diagnosis >> Transmission >> Automatic Trans >> Continuously Variable Transmission (CVT) >> System Description >> Hydraulic Flow >> P Position
April 5, 2026: LEMON Manuals is launched! Read the announcement.

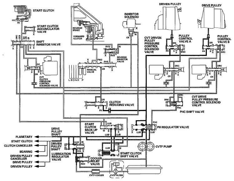
P Position

The manual valve is shifted into the P position, the manual valve blocks hydraulic pressure to the forward clutch. Hydraulic pressure is not applied to the start and forward clutches, and power is not transmitted to the drive pulley shaft.

Fig 1: CVT System Hydraulic Flow Diagram - P Position
G06430048Courtesy of AMERICAN HONDA MOTOR CO., INC.