LEMON Manuals: Even more car manuals for everyone: 1960-2025
Home >> Honda >> 2011 >> Insight Base >> Repair and Diagnosis >> Transmission >> Automatic Trans >> Continuously Variable Transmission (CVT) >> Vehicle Speed Sensor Replacement
April 5, 2026: LEMON Manuals is launched! Read the announcement.

Vehicle Speed Sensor Replacement

  1. Remove the air cleaner (see AIR CLEANER REMOVAL/INSTALLATION ).
  2. Remove the heater hose clamps (A) and the IMA motor power cable clamps (B) from the bracket.
    Fig 1: Identifying Heater Hose Clamps And IMA Motor Power Cable Clamps
    G06430128Courtesy of AMERICAN HONDA MOTOR CO., INC.
  3. Disconnect the transmission range switch connector (A) and the CVT output shaft (driven pulley) speed sensor connector (B).
    Fig 2: Identifying Harness Clamp, Transmission Range Switch And CVT Output Shaft Speed Sensor Connector
    G06430129Courtesy of AMERICAN HONDA MOTOR CO., INC.
  4. Remove the harness clamp (C) and the harness holder clamp (D) from the harness clamp bracket.
  5. Remove the ground terminal bracket (A) from the transmission mount (B).
    Fig 3: Identifying Ground Terminal Bracket And Transmission Mount
    G06430130Courtesy of AMERICAN HONDA MOTOR CO., INC.
  6. Remove the harness clamp bracket (A).
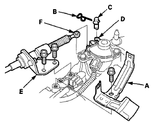
  7. Remove the snap pin (B) and the control pin (C) from the control lever (D).
    Fig 4: Identifying Snap Pin, Control Pin And Control Lever
    G06430131Courtesy of AMERICAN HONDA MOTOR CO., INC.
  8. Remove the bolts securing the shift cable holder (E), then separate the shift cable (F) from the control lever.
  9. Disconnect the vehicle speed sensor connector, and remove the vehicle speed sensor (A).
    Fig 5: Identifying Vehicle Speed Sensor
    G06430132Courtesy of AMERICAN HONDA MOTOR CO., INC.
  10. Install a new O-ring (B) on a new vehicle speed sensor, then install the vehicle speed sensor in the transmission housing.
  11. Check the connector for rust, dirt, or oil, and clean or repair if necessary, then connect the connector securely.
  12. Apply molybdenum grease to the hole in the shift cable end collar (A). Attach the shift cable end to the selector control lever (B). Insert the control pin (C) through the selector control lever hole (D), through the shift cable end hole, and into the selector control lever slotted hole (E) in the direction shown. Push the control pin until its flange (F) contacts the selector control lever surface.
    Fig 6: Identifying Shift Cable End Collar, Selector Control Lever And Control Pin
    G06430133Courtesy of AMERICAN HONDA MOTOR CO., INC.
  13. Insert the snap pin (G) in the direction shown through the control pin hole and out the opening (H) of the selector control lever so that the hooked end (I) of the snap pin snaps into the countersunk hole (J) of the control pin.
  14. Secure the shift cable holder on the transmission with the bolts.
  15. Install the harness clamp bracket.
  16. Install the ground terminal bracket (A).
    Fig 7: Ground Terminal Bracket And Bolt With Torque Specifications
    G06430134Courtesy of AMERICAN HONDA MOTOR CO., INC.
  17. Install the harness clamps (A) and the harness hold clamp (B).
    Fig 8: Identifying Harness Clamp, Harness Hold Clamp And Transmission Range Switch Connector
    G06430135Courtesy of AMERICAN HONDA MOTOR CO., INC.
  18. Connect the transmission range switch connector (C), and the CVT output shaft (driven pulley) speed sensor connector (D).
  19. Install the heater hose clamps (A) and IMA motor power cable clamp (B).
    Fig 9: Identifying Heater Hose Clamps And IMA Motor Power Cable Clamp
    G06430136Courtesy of AMERICAN HONDA MOTOR CO., INC.
  20. Install the air cleaner (see AIR CLEANER REMOVAL/INSTALLATION ).