LEMON Manuals: Even more car manuals for everyone: 1960-2025
Home >> Honda >> 2011 >> Insight EX >> Repair and Diagnosis >> Engine Performance >> System >> Fuel System & Emissions System >> System Description >> PCM Circuit Diagram
April 5, 2026: LEMON Manuals is launched! Read the announcement.

PCM Circuit Diagram

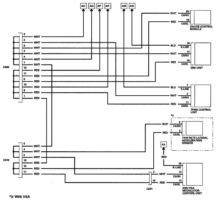
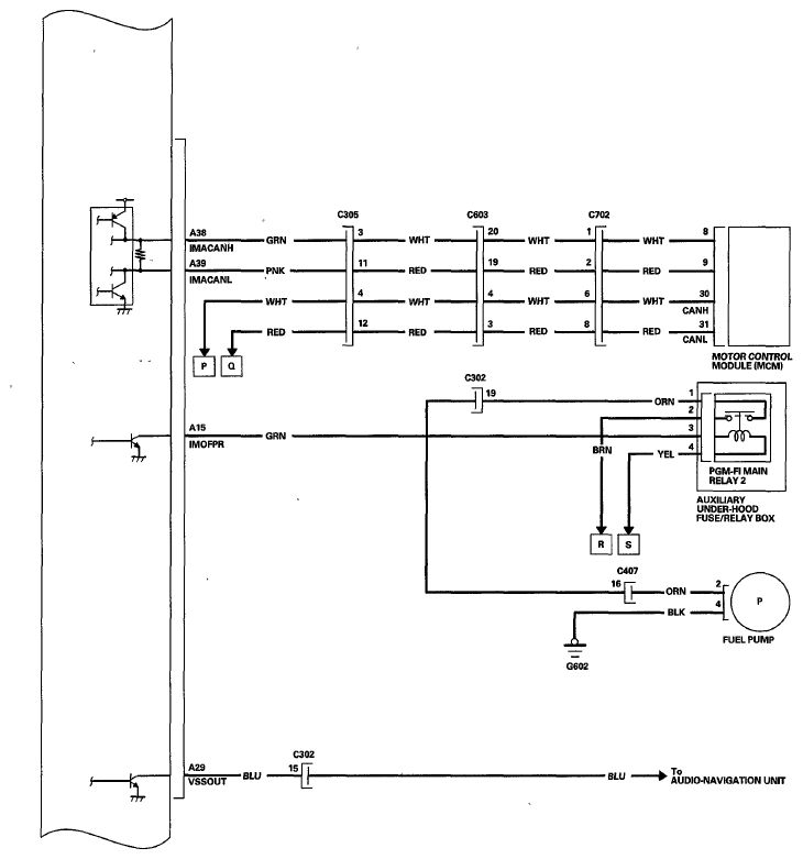
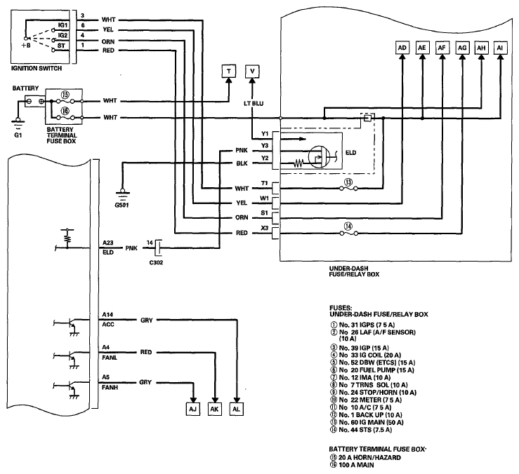
Fig 1: PCM - Circuit Diagram (1 Of 14)
G06429165Courtesy of AMERICAN HONDA MOTOR CO., INC.
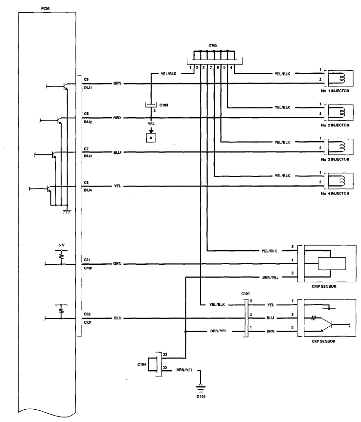
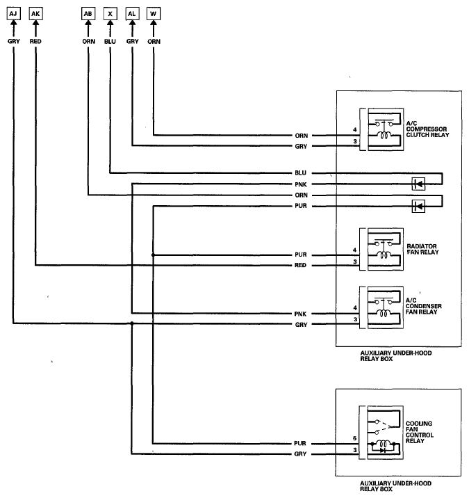
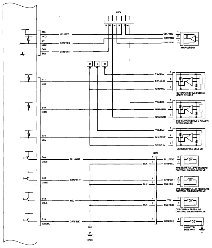
Fig 2: PCM - Circuit Diagram (2 Of 14)
G06429166Courtesy of AMERICAN HONDA MOTOR CO., INC.
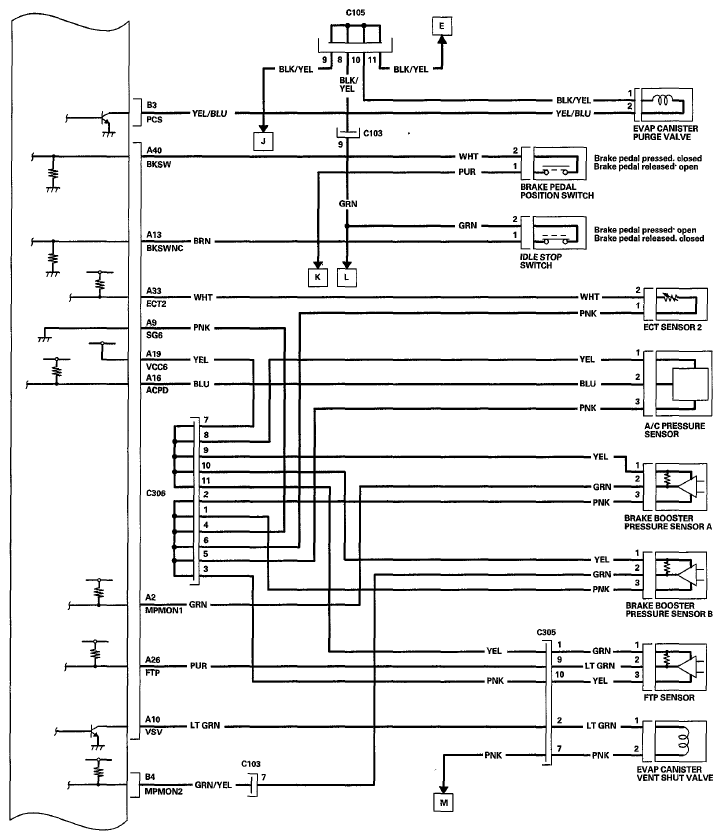
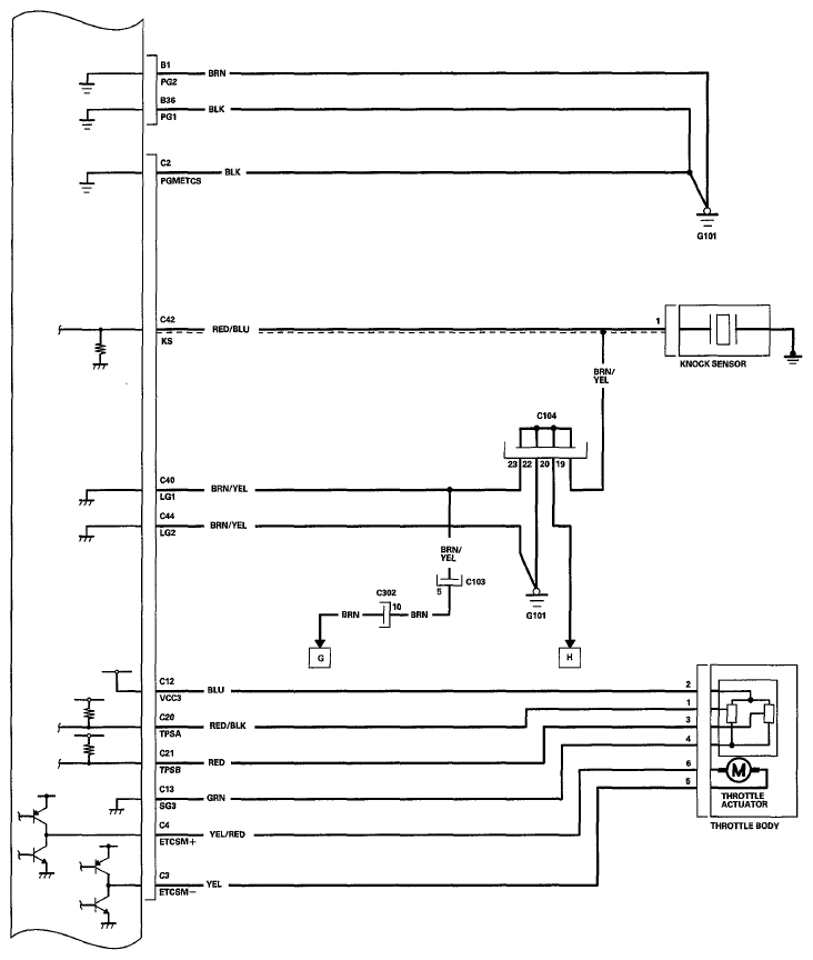
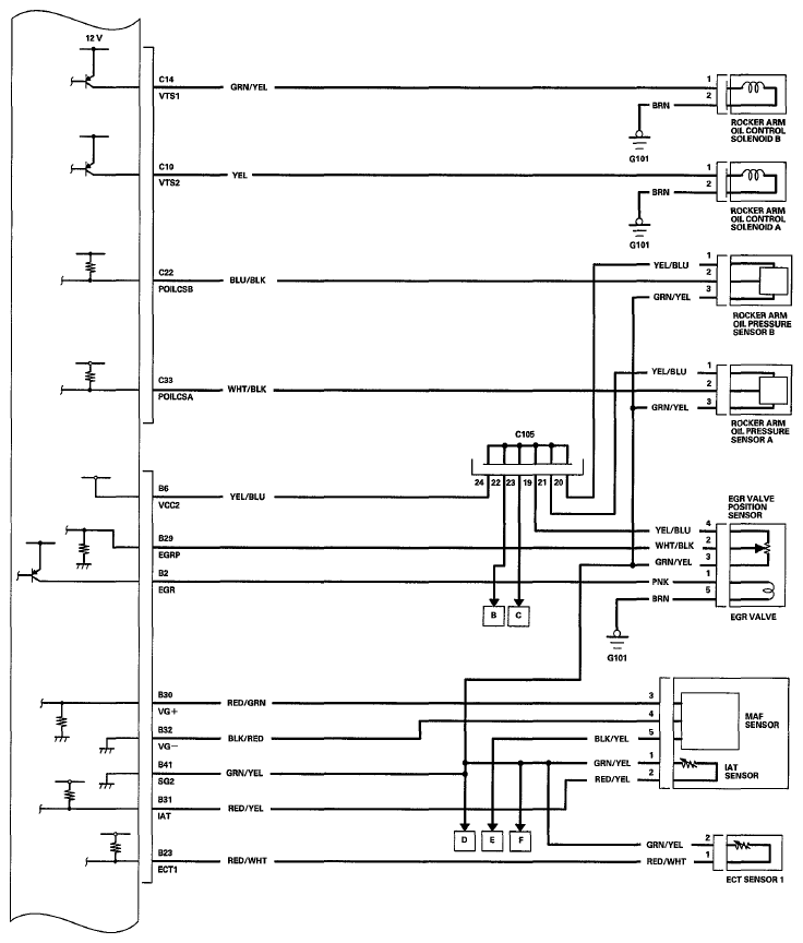
Fig 3: PCM - Circuit Diagram (3 Of 14)
G06429167Courtesy of AMERICAN HONDA MOTOR CO., INC.
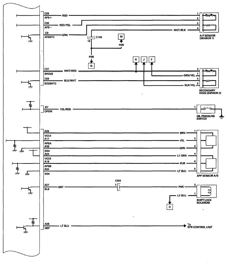
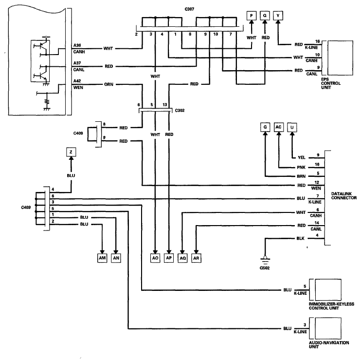
Fig 4: PCM - Circuit Diagram (4 Of 14)
G06429168Courtesy of AMERICAN HONDA MOTOR CO., INC.
Fig 5: PCM - Circuit Diagram (5 Of 14)
G06429169Courtesy of AMERICAN HONDA MOTOR CO., INC.
Fig 6: PCM - Circuit Diagram (6 Of 14)
G06429170Courtesy of AMERICAN HONDA MOTOR CO., INC.
Fig 7: PCM - Circuit Diagram (7 Of 14)
G06429171Courtesy of AMERICAN HONDA MOTOR CO., INC.
Fig 8: PCM - Circuit Diagram (8 Of 14)
G06429172Courtesy of AMERICAN HONDA MOTOR CO., INC.
Fig 9: PCM - Circuit Diagram (9 Of 14)
G06429173Courtesy of AMERICAN HONDA MOTOR CO., INC.
Fig 10: PCM - Circuit Diagram (10 Of 14)
G06429174Courtesy of AMERICAN HONDA MOTOR CO., INC.
Fig 11: PCM - Circuit Diagram (11 Of 14)
G06429175Courtesy of AMERICAN HONDA MOTOR CO., INC.
Fig 12: PCM - Circuit Diagram (12 Of 14)
G06429176Courtesy of AMERICAN HONDA MOTOR CO., INC.
Fig 13: PCM - Circuit Diagram (13 Of 14)
G06429177Courtesy of AMERICAN HONDA MOTOR CO., INC.
Fig 14: PCM - Circuit Diagram (14 Of 14)
G06429178Courtesy of AMERICAN HONDA MOTOR CO., INC.