LEMON Manuals: Even more car manuals for everyone: 1960-2025
Home >> Honda >> 2011 >> Pilot EX, 3.5 4 >> Repair and Diagnosis >> Body & Frame >> Windows >> Power Windows >> Circuit Diagram
April 5, 2026: LEMON Manuals is launched! Read the announcement.

Circuit Diagram

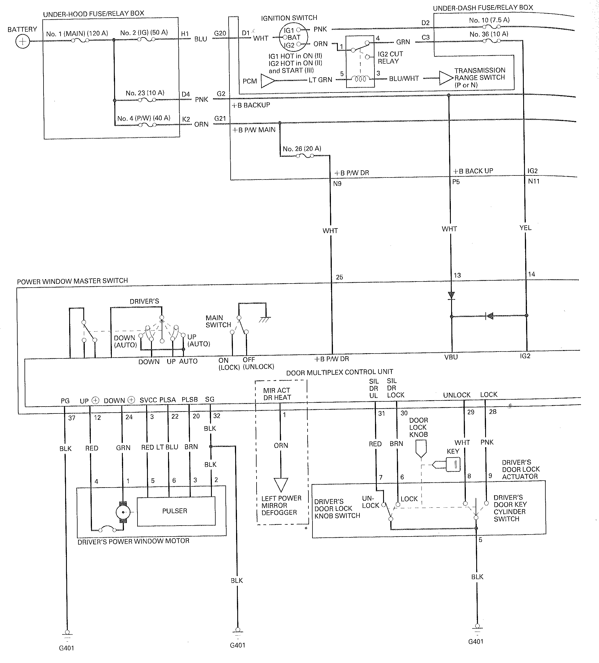
Fig 1: Identifying Power Window Master Switch - Circuit Diagram (1 Of 3)
G00511132Courtesy of AMERICAN HONDA MOTOR CO., INC.
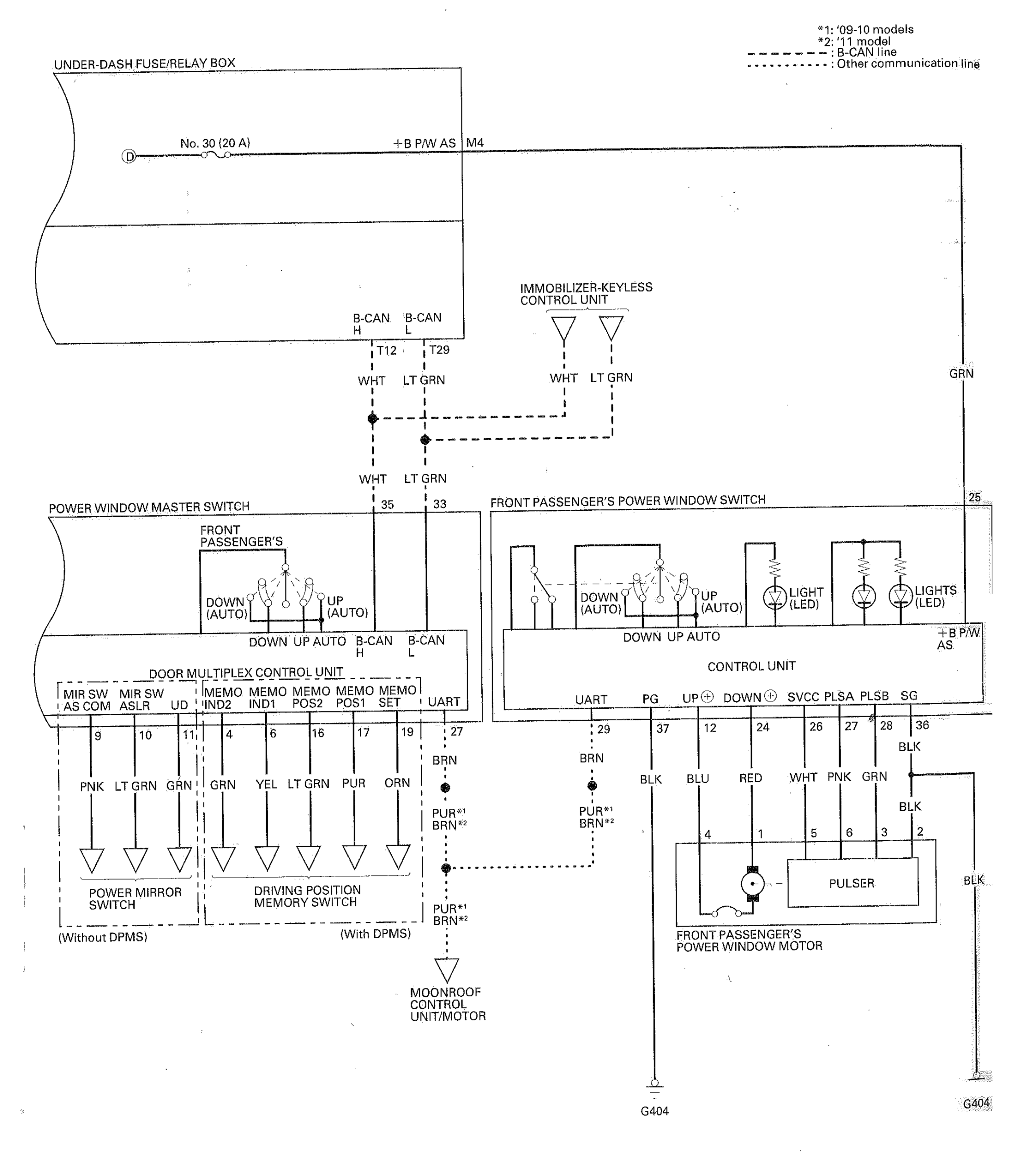
Fig 2: Identifying Power Window Master Switch - Circuit Diagram (2 Of 3)
G05966365Courtesy of AMERICAN HONDA MOTOR CO., INC.
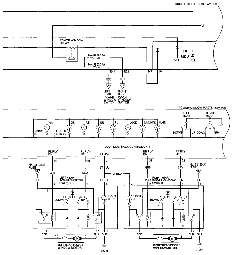
Fig 3: Identifying Power Window Master Switch - Circuit Diagram (3 Of 3)
G00511136Courtesy of AMERICAN HONDA MOTOR CO., INC.