LEMON Manuals: Even more car manuals for everyone: 1960-2025
Home >> Honda >> 2012 >> Accord SE >> Repair and Diagnosis >> Body & Frame >> Seats >> Driver Position Memory System (DPMS) (4-CYL) >> Circuit Diagram - Power Seat
April 5, 2026: LEMON Manuals is launched! Read the announcement.

Circuit Diagram - Power Seat

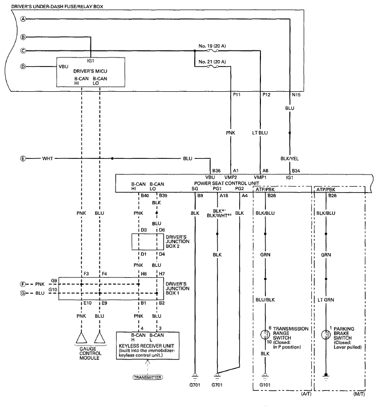
Fig 1: Power Seat - Circuit Diagram (1 Of 4)
G07344857Courtesy of AMERICAN HONDA MOTOR CO., INC.
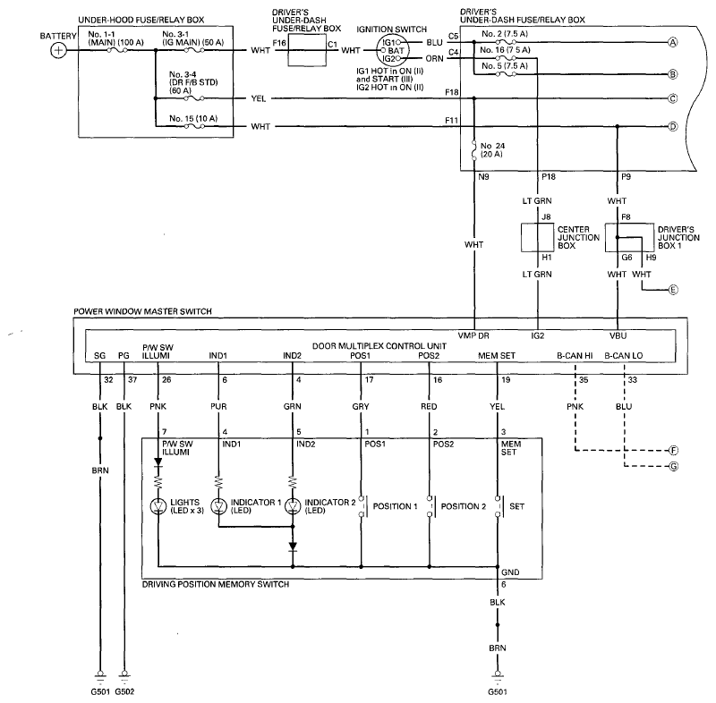
Fig 2: Power Seat - Circuit Diagram (2 Of 4)
G07344858Courtesy of AMERICAN HONDA MOTOR CO., INC.
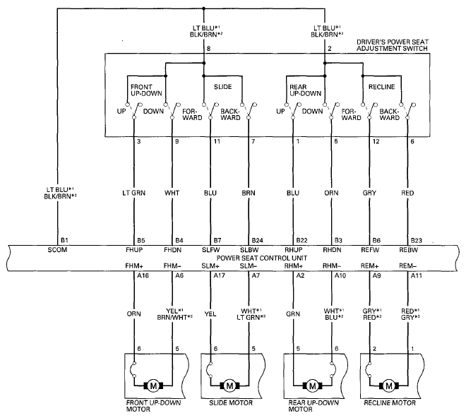
Fig 3: Power Seat - Circuit Diagram (3 Of 4)
G07344859Courtesy of AMERICAN HONDA MOTOR CO., INC.
Fig 4: Power Seat - Circuit Diagram (4 Of 4)
G07344860Courtesy of AMERICAN HONDA MOTOR CO., INC.