LEMON Manuals: Even more car manuals for everyone: 1960-2025
Home >> Honda >> 2012 >> CR-V 4WD L4-2.4L >> Repair and Diagnosis >> Powertrain Management >> Computers and Control Systems >> Variable Valve Timing Pressure Switch >> Locations >> Cylinder Head Assembly Component Location Index
April 5, 2026: LEMON Manuals is launched! Read the announcement.

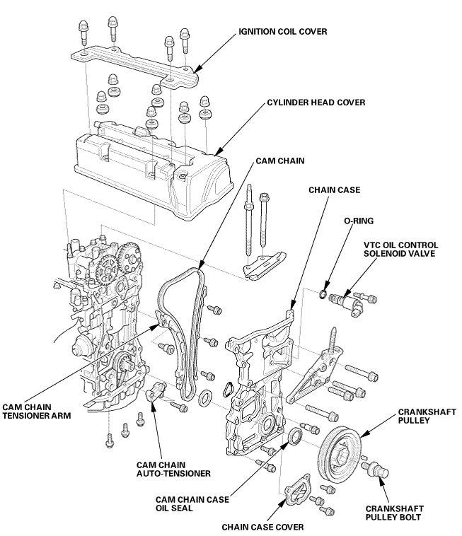
Cylinder Head Assembly Component Location Index




Engine

Cylinder Head Assembly Component Location Index