LEMON Manuals: Even more car manuals for everyone: 1960-2025
Home >> Honda >> 2012 >> CR-Z Base, Standard Trans >> Repair and Diagnosis >> Electrical >> Starter >> Starting System >> Circuit Diagram
April 5, 2026: LEMON Manuals is launched! Read the announcement.

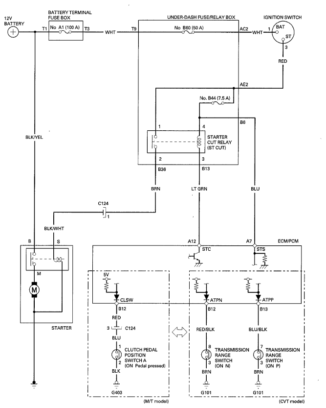
Circuit Diagram

Fig 1: Starting System Circuit Diagram
G06949201Courtesy of AMERICAN HONDA MOTOR CO., INC.