LEMON Manuals: Even more car manuals for everyone: 1960-2025
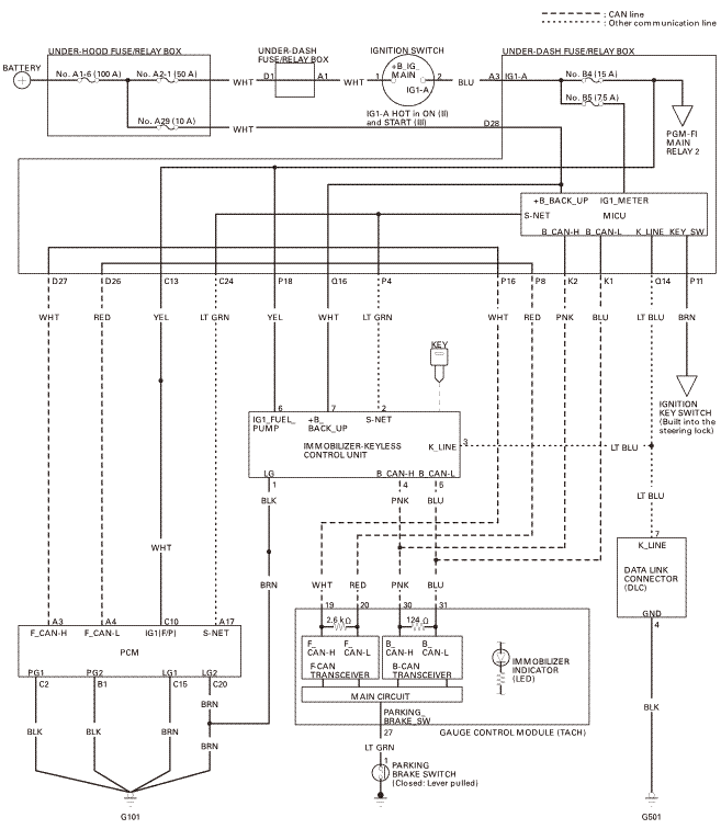
Home >> Honda >> 2012 >> Civic HF, Trans Mfr CD MZ2A >> Repair and Diagnosis >> External Pages >> Different variant/trim >> Section 63 (Security System / Keyless Entry System - Testing & Troubleshooting (Hybrid)) >> Circuit Diagram >> Immobilizer System Circuit Diagram
April 5, 2026: LEMON Manuals is launched! Read the announcement.

Immobilizer System Circuit Diagram

WARNING: This page is about a different variant/trim than selected.
GHH119371Courtesy of HONDA, U.S.A., INC.