LEMON Manuals: Even more car manuals for everyone: 1960-2025
Home >> Honda >> 2012 >> Civic HF, Trans Mfr CD MZ2A >> Repair and Diagnosis >> External Pages >> Different variant/trim >> Section 63 (Security System / Keyless Entry System - Testing & Troubleshooting (Hybrid)) >> Circuit Diagram >> Keyless Access System Circuit Diagram (2014)
April 5, 2026: LEMON Manuals is launched! Read the announcement.

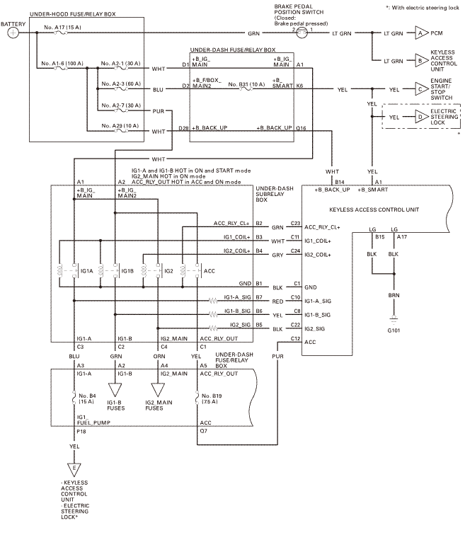
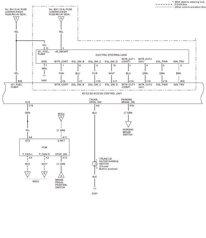
Keyless Access System Circuit Diagram (2014)

WARNING: This page is about a different variant/trim than selected.
GHH119372Courtesy of HONDA, U.S.A., INC.
GHH119373Courtesy of HONDA, U.S.A., INC.
GHH119374Courtesy of HONDA, U.S.A., INC.
GHH119375Courtesy of HONDA, U.S.A., INC.
GHH119376Courtesy of HONDA, U.S.A., INC.