LEMON Manuals: Even more car manuals for everyone: 1960-2025
Home >> Honda >> 2012 >> Civic HF, Trans Mfr CD MZ2A >> Repair and Diagnosis >> External Pages >> Different variant/trim >> Section 63 (Security System / Keyless Entry System - Testing & Troubleshooting (Hybrid)) >> Circuit Diagram >> Keyless/Power Door Locks/Security System Circuit Diagram (2014 - 2015)
April 5, 2026: LEMON Manuals is launched! Read the announcement.

Keyless/Power Door Locks/Security System Circuit Diagram (2014 - 2015)

WARNING: This page is about a different variant/trim than selected.
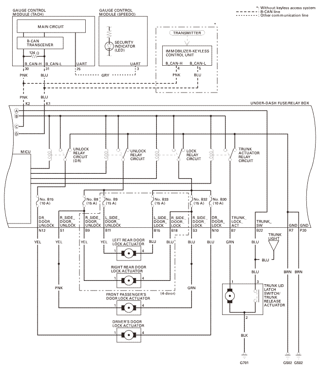
GHH119386Courtesy of HONDA, U.S.A., INC.
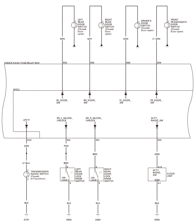
GHH119387Courtesy of HONDA, U.S.A., INC.
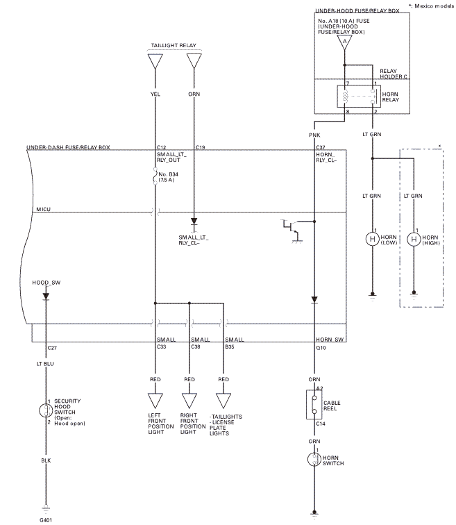
GHH119388Courtesy of HONDA, U.S.A., INC.
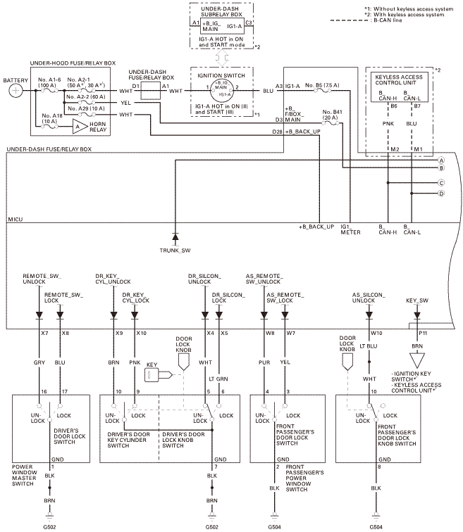
GHH119389Courtesy of HONDA, U.S.A., INC.