LEMON Manuals: Even more car manuals for everyone: 1960-2025
Home >> Honda >> 2012 >> Crosstour 2WD V6-3.5L >> Repair and Diagnosis >> Heating and Air Conditioning >> Control Assembly >> Service and Repair >> Climate Control Switch Removal/Installation (With Navigation)
April 5, 2026: LEMON Manuals is launched! Read the announcement.

Climate Control Switch Removal/Installation (With Navigation)




Climate Control Switch Removal/Installation

With Navigation

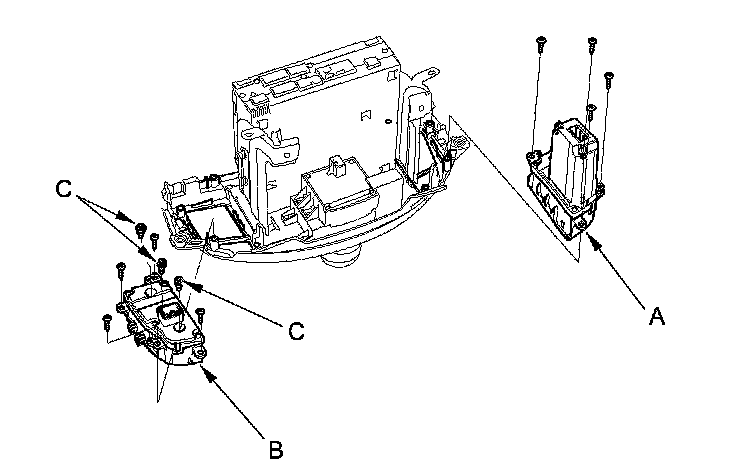
1. Remove the audio unit Audio Unit Removal/Installation (With Navigation).

2. Remove the self-tapping screws and the driver's climate control switch (A), and the passenger's climate control switch (B). If necessary, replace the bulb (C).





3. Install the switches in the reverse order of removal.

4. Run the self-diagnostic function to confirm that there are no problems in the system.