LEMON Manuals: Even more car manuals for everyone: 1960-2025
Home >> Honda >> 2012 >> Fit Base, Automatic Trans >> Repair and Diagnosis >> Engine Mechanical >> Cooling System (Mechanical) >> Engine Cooling System >> Component Location Index
April 5, 2026: LEMON Manuals is launched! Read the announcement.

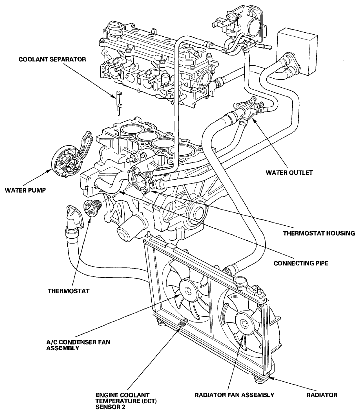
Component Location Index

Fig 1: Identifying Cooling System Replacement Components
G05952708Courtesy of AMERICAN HONDA MOTOR CO., INC.