LEMON Manuals: Even more car manuals for everyone: 1960-2025
Home >> Honda >> 2012 >> Fit Base, Automatic Trans >> Repair and Diagnosis >> Engine Mechanical >> Mechanical >> Engine Assembly >> Engine Installation >> Special Tools Required
April 5, 2026: LEMON Manuals is launched! Read the announcement.

Special Tools Required

  1. Raise the vehicle on the lift, and position the engine/transmission under the vehicle. Be sure that they are properly aligned. Carefully lower the vehicle until the engine/transmission are properly positioned in the engine compartment. Make sure the vehicle is not resting on any part of the engine/transmission. Support the engine/transmission with a chain hoist (A) and the first universal lifting eyelet (B) and carefully raise the engine/transmission into place.
    NOTE:
    • Attach the first universal lifting eyelet to the cam chain case.

      To identify cam chain case (see step  50).

    • Reinstall the mounting bolts and support nuts in the sequence given in the following steps. Failure to follow this sequence may cause excessive noise and vibration, and reduce engine mount life.
    • Wrap the ABS modulator-control unit with a clean shop towel.
    Fig 1: Identifying Universal Eyelet & Transmission Hook
    G05952376Courtesy of AMERICAN HONDA MOTOR CO., INC.
  2. Install the side engine mount/bracket assembly (A), then tighten the new side engine mount/bracket assembly mounting bolts (B).
    Fig 2: Side Engine Mount, Bracket Mounting Bolts & Bracket Assembly With Torque Specifications
    G05952377Courtesy of AMERICAN HONDA MOTOR CO., INC.
  3. Loosely tighten the new side engine mount/bracket assembly mounting nuts (C).
  4. Install the ground cable (D).
  5. Install the transmission mount bracket (A), and loosely tighten the new transmission mount bracket mounting bolts and nuts (B).

    M/T model 

    Fig 3: Transmission Mount Bracket Mounting Bolts & Nuts (M/T Model) With Torque Specifications
    G05952378Courtesy of AMERICAN HONDA MOTOR CO., INC.

    A/T model 

    Fig 4: Transmission Mount Bracket Mounting Bolts & Nuts (A/T Model) With Torque Specifications
    G05952379Courtesy of AMERICAN HONDA MOTOR CO., INC.
  6. Install the ground cable (C).
  7. Attach the second universal lifting eyelet (A) to the air cleaner housing bracket with the 1.8 support bolt (B). Tighten the bolt by hand.
    Fig 5: Identifying Universal Lifting Eyelet & Ground Cable
    G05952380Courtesy of AMERICAN HONDA MOTOR CO., INC.
  8. Install the engine support hanger (AAR-T1256), then attach the hook to the slotted hole in the second universal lifting eyelet. Tighten the wing nut (C) by hand to lift and support the engine/transmission.
    NOTE: Be careful when working around the windshield.
  9. Remove the chain hoist from the engine/ transmission.
  10. Remove the universal lifting eyelet from the chain case.
    Fig 6: Identifying Universal Lifting Eyelet & Chain Case
    G05952381Courtesy of AMERICAN HONDA MOTOR CO., INC.
  11. Raise the vehicle on the lift to full height.
  12. Support the front subframe with a transmission jack and a wood block.
    Fig 7: Identifying Subframe On Transmission Jack
    G00492811Courtesy of AMERICAN HONDA MOTOR CO., INC.
  13. Install the front subframe (A), then loosely install the new front subframe mounting bolts.
    NOTE:
    • Be sure that the pinion shaft grommet is in place securely. Make sure the pinion shaft grommet is not turned up. Incorrect installation can cause leakage of water or mud, and noise.
    • Take care not to damage the lower arm ball joint boot with the edge of the knuckle, etc.
    Fig 8: Front Subframe & Front Subframe Mounting Bolts With Torque Specifications
    G00492812Courtesy of AMERICAN HONDA MOTOR CO., INC.
  14. Tighten the front subframe mounting bolts in the numbered sequence shown.
  15. Remove the transmission jack and the wood block from under the front subframe.
  16. Support the transmission with a transmission jack and a wood block under the transmission.
  17. Install the torque rod (A). Install the bolt (B) with the tab (C) on the bolt head aligned with the guide (D) on the front subframe, then loosely install a new torque rod mounting bolt (E) and nut (F).
    NOTE: Be sure to install the torque rod with the "UP" mark facing up.

    M/T model 

    Fig 9: Identifying Torque Rod, Guide, Mounting Bolt & Nut (M/T Model)
    G05952383Courtesy of AMERICAN HONDA MOTOR CO., INC.

    A/T model 

    Fig 10: Identifying Torque Rod, Guide, Mounting Bolt & Nut (A/T Model)
    G05952384Courtesy of AMERICAN HONDA MOTOR CO., INC.
  18. Remove the transmission jack and the wood block from under the transmission.
  19. Lower the vehicle on the lift.
  20. Remove the engine support hanger and the second universal lifting eyelet.
  21. Tighten the side engine mount/bracket assembly mounting nuts in the numbered sequence shown below.
    Fig 11: Side Engine Mount & Bracket Assembly Mounting Nuts With Torque Specifications
    G05952385Courtesy of AMERICAN HONDA MOTOR CO., INC.
  22. Tighten the side engine mount/bracket assembly mounting nuts in the numbered sequence shown.

    M/T model 

    Fig 12: Transmission Mount Mounting Bolts & Nuts (M/T Model) With Torque Specifications
    G05952386Courtesy of AMERICAN HONDA MOTOR CO., INC.

    A/T model 

    Fig 13: Transmission Mount Mounting Bolts & Nuts (A/T Model) With Torque Specifications
    G05952387Courtesy of AMERICAN HONDA MOTOR CO., INC.
  23. Raise the vehicle on the lift.
  24. Tighten the transmission mount mounting bolts and nuts in the numbered sequence shown.

    M/T model 

    Fig 14: Torque Rod Mounting Bolt & Nut (M/T Model) With Torque Specifications
    G05952388Courtesy of AMERICAN HONDA MOTOR CO., INC.

    A/T model 

    Fig 15: Torque Rod Mounting Bolt & Nut (A/T Model) With Torque Specifications
    G05952389Courtesy of AMERICAN HONDA MOTOR CO., INC.
  25. Connect the EPS motor sensor 8P connector (A) and torque sensor 6P connector (B) to the steering gearbox.
    Fig 16: Steering Gearbox Stiffeners Bolts With Torque Specifications
    G00492813Courtesy of AMERICAN HONDA MOTOR CO., INC.
  26. Pull down the lever (C) of the EPS motor 3P connector (D), then confirm the connector is fully seated.
  27. Wipe the driveshaft clean. Install a new set ring on the end of each driveshaft, then install the driveshafts (see DRIVESHAFT INSTALLATION ). Make sure each ring clicks into place in the differential and the intermediate shaft.
  28. M/T model: Install the driveshaft heat shield.
    Fig 17: Driveshaft Heat Shield With Torque Specifications
    G05952391Courtesy of AMERICAN HONDA MOTOR CO., INC.
  29. Connect the ball joints (A) to both knuckles (B), and install new ball joint nuts (C). Tighten the nuts, then secure the nuts with the spring clips (D).
    Fig 18: Identifying Ball Joints & Stabilizer Links
    G00492814Courtesy of AMERICAN HONDA MOTOR CO., INC.
  30. Connect the stabilizer links (E) to the stabilizer ends (F), and install the nuts (G). Insert a 5 mm Allen wrench (H) in the top of the ball joint pins (I), and tighten the nuts.
  31. Install the tie-rod end ball joint (J) to the each knuckle with the nuts (K) and cotter pins (L). (See step 9 of KNUCKLE/HUB/WHEEL BEARING REPLACEMENT .)
  32. A/T model: Install the shift cable (see step 22 on TRANSMISSION INSTALLATION ).
  33. With A/C: Install the A/C compressor.
    Fig 19: A/C Compressor Replacement Components With Torque Specifications
    G05952392Courtesy of AMERICAN HONDA MOTOR CO., INC.
  34. With A/C: Install the drive belt (see DRIVE BELT INSPECTION ).
  35. Install the under-floor three way catalytic converter (under-floor TWC) (A).
    NOTE: Use new gaskets (B) and new self locking nuts (C).
    Fig 20: Under-Floor Three Way Catalytic Converter & Self Locking Nuts With Torque Specifications
    G05952393Courtesy of AMERICAN HONDA MOTOR CO., INC.
  36. Install the splash shields.
    Fig 21: Identifying Splash Shields
    G05952394Courtesy of AMERICAN HONDA MOTOR CO., INC.
  37. Lower the vehicle on the lift.
  38. Install the heater hoses.
    Fig 22: Identifying Heater Hoses
    G05952395Courtesy of AMERICAN HONDA MOTOR CO., INC.
  39. Install the radiator (see RADIATOR REPLACEMENT ).
  40. M/T model: Install the clutch slave cylinder, and clutch line bracket mounting bolt (see step 19 on TRANSMISSION INSTALLATION ).
  41. M/T model: Install the shift cable (see step 17 on TRANSMISSION INSTALLATION ).
  42. Connect the secondary heated oxygen sensor (secondary HO2S) connector (A), then install the secondary HO2S harness to the clamps (B).
    Fig 23: Identifying Secondary Heated Oxygen Sensor Connector & Clamps
    G05952396Courtesy of AMERICAN HONDA MOTOR CO., INC.
  43. Connect the fuel feed hose (A) (see FUEL LINE/QUICK-CONNECT FITTING INSTALLATION ), then install the quick-connect fitting cover (B) and the fuel feed hose clamp (C).
    Fig 24: Identifying Quick-Connect Fitting Cover & Fuel Feed Hose Clamp
    G05952397Courtesy of AMERICAN HONDA MOTOR CO., INC.
  44. Install the evaporative emission (EVAP) canister hose (A) and brake booster vacuum hose (B).
    Fig 25: Identifying Evaporative Emission (EVAP) Canister Hose & Brake Booster Vacuum Hose
    G05952398Courtesy of AMERICAN HONDA MOTOR CO., INC.
  45. Install the harness holder (A), then install the harness clamp (B).
    Fig 26: Identifying Harness Holder & Harness Clamp
    G05952399Courtesy of AMERICAN HONDA MOTOR CO., INC.
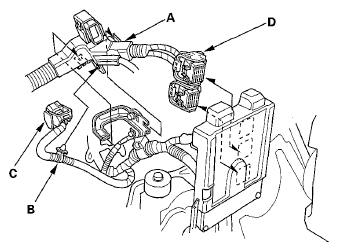
  46. Connect the engine wire harness connector (C) and the engine control module (ECM)/powertrain control module (PCM) connectors (D).
  47. M/T model: Install the battery base (A), then install the harness clamp (B).
    Fig 27: Engine Wire Harness Connector & Engine Control Module (ECM) With Torque Specifications
    G05952400Courtesy of AMERICAN HONDA MOTOR CO., INC.
  48. Install the battery cables (A) to the battery terminal fuse box.
    Fig 28: Installing Battery Cables To Battery Terminal Fuse Box With Torque Specifications
    G05952427Courtesy of AMERICAN HONDA MOTOR CO., INC.
  49. Install the harness clamps (B).
  50. Install the front wheels.
  51. Connect the steering joint to the steering gearbox pinion shaft (A) by aligning the reference mark (B), then remove the wire (C) from the joint yoke (D).
    Fig 29: Identifying Steering Gearbox Pinion Shaft & Steering Joint
    G00492815Courtesy of AMERICAN HONDA MOTOR CO., INC.
  52. Install the steering joint cover (E).
  53. Install the steering wheel. (see STEERING WHEEL INSTALLATION )
  54. Install the under-cowl panel (see UNDER-COWL PANEL REPLACEMENT ).
  55. Install the windshield wiper motor. (see WIPER MOTOR REPLACEMENT )
  56. Do the battery installation procedure (see BATTERY REMOVAL AND INSTALLATION ).
  57. Refill the transmission with fluid:
  58. Install the air cleaner housing assembly (see AIR CLEANER REMOVAL/INSTALLATION ).
  59. A/T model: Move the shift lever to each gear, and verify that the A/T gear position indicator follows the transmission range switch.
  60. M/T model: Check that the transmission shifts into all gear smoothly.
  61. Inspect for fuel leaks. Turn the ignition switch to ON (II) (do not operate the starter) so the fuel pump runs for about 2 seconds and pressurizes the fuel line. Repeat this operation three times, then check for fuel leakage at any point in the fuel line.
  62. Refill the radiator with engine coolant, and bleed the air from the cooling system with the heater valve open (see step 9 on COOLANT REPLACEMENT ).
  63. Refill the engine with the recommended engine oil (see step 4 on ENGINE OIL LEVEL CHECK ).
  64. Check and adjust the front wheel alignment. (see WHEEL ALIGNMENT )
  65. Do the ECM/PCM reset procedure (see HDS CLEAR COMMAND ).
  66. Do the crankshaft position (CKP) pattern clear/CKP pattern learn procedure (see CKP PATTERN CLEAR/CKP PATTERN LEARN ).
  67. Inspect the idle speed (see IDLE SPEED INSPECTION ).
  68. Inspect the ignition timing (see IGNITION TIMING INSPECTION ).