LEMON Manuals: Even more car manuals for everyone: 1960-2025
Home >> Honda >> 2012 >> Fit Base, Automatic Trans >> Repair and Diagnosis >> Engine Mechanical >> Mechanical >> Engine Assembly >> Transmission Mount Bracket Replacement
April 5, 2026: LEMON Manuals is launched! Read the announcement.

Transmission Mount Bracket Replacement

  1. Do the battery removal procedure (see BATTERY REMOVAL AND INSTALLATION ).
  2. Remove the air cleaner housing assembly (see AIR CLEANER REMOVAL/INSTALLATION ).
  3. M/T model: Remove the battery cables (A) from the battery terminal fuse box.
    Fig 1: Identifying Battery Cables & Battery Terminal Fuse Box
    G05952430Courtesy of AMERICAN HONDA MOTOR CO., INC.
  4. M/T model: Remove the harness clamps (B).
  5. M/T model: Remove the harness clamp (A).

    Remove the two bolts (B) and loosen the two bolts (C), then remove the battery base (D).

    Fig 2: Identifying Harness Clamps & Bolts
    G05952431Courtesy of AMERICAN HONDA MOTOR CO., INC.
  6. Support the transmission with a jack and wood block under the transmission.
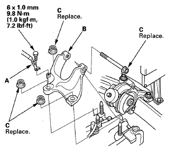
  7. Remove the ground cable (A), then remove the transmission mount bracket (B).

    M/T model 

    Fig 3: Transmission Mount Bracket & Ground Cable (M/T Model) With Torque Specifications
    G05952432Courtesy of AMERICAN HONDA MOTOR CO., INC.

    A/T model 

    Fig 4: Transmission Mount Bracket & Ground Cable (A/T Model) With Torque Specifications
    G05952433Courtesy of AMERICAN HONDA MOTOR CO., INC.
  8. Install the transmission mount bracket, and loosely tighten the new transmission mount bracket mounting bolts and nuts (C).
  9. Install the ground cable.
  10. Remove the jack and the wood block from under the transmission.
  11. Raise the vehicle on the lift to full height.
  12. Loosen the torque rod mounting bolt and nut (A).

    M/T model 

    Fig 5: Identifying Torque Rod Mounting Bolt & Nut (M/T Model)
    G05952434Courtesy of AMERICAN HONDA MOTOR CO., INC.

    A/T model 

    Fig 6: Identifying Torque Rod Mounting Bolt & Nut (A/T Model)
    G05952435Courtesy of AMERICAN HONDA MOTOR CO., INC.
  13. Lower the vehicle on the lift.
  14. Tighten the transmission mount mounting bolts and nuts in the numbered sequence shown.

    M/T model 

    Fig 7: Transmission Mount Mounting Bolts & Nuts (M/T Model) With Torque Specifications
    G05952436Courtesy of AMERICAN HONDA MOTOR CO., INC.

    A/T model 

    Fig 8: Transmission Mount Mounting Bolts & Nuts (A/T Model) With Torque Specifications
    G05952437Courtesy of AMERICAN HONDA MOTOR CO., INC.
  15. Raise the vehicle on the lift.
  16. Tighten the torque rod mounting bolt and nut in the numbered sequence shown.

    M/T model 

    Fig 9: Torque Rod Mounting Bolt & Nut (M/T Model) With Torque Specifications
    G05952438Courtesy of AMERICAN HONDA MOTOR CO., INC.

    A/T model 

    Fig 10: Torque Rod Mounting Bolt & Nut (A/T Model) With Torque Specifications
    G05952439Courtesy of AMERICAN HONDA MOTOR CO., INC.
  17. Lower the vehicle on the lift.
  18. M/T model: Install the battery base (A), then install the harness clamp (B).
    Fig 11: Battery Base & Harness Clamp With Torque Specifications
    G05952440Courtesy of AMERICAN HONDA MOTOR CO., INC.
  19. M/T model: Install the battery cables (A) to the battery terminal fuse box.
    Fig 12: Installing Battery Cables To Battery Terminal Fuse Box With Torque Specifications
    G05952427Courtesy of AMERICAN HONDA MOTOR CO., INC.
  20. M/T model: Install the harness clamps (B).
  21. Do the battery installation procedure (see BATTERY REMOVAL AND INSTALLATION ).
  22. Install the air cleaner housing assembly (see AIR CLEANER REMOVAL/INSTALLATION ).