LEMON Manuals: Even more car manuals for everyone: 1960-2025
Home >> Honda >> 2012 >> Fit Base, Automatic Trans >> Repair and Diagnosis >> External Pages >> Different car >> Section 4 (Audio System) >> Circuit Diagram >> Without Navigation
April 5, 2026: LEMON Manuals is launched! Read the announcement.

Without Navigation

WARNING: This page is about a different car, the 2011 Honda Fit, 2010 Honda Fit, and 2009 Honda Fit. However, it is still accessible from the selected car via links, so may be relevant.
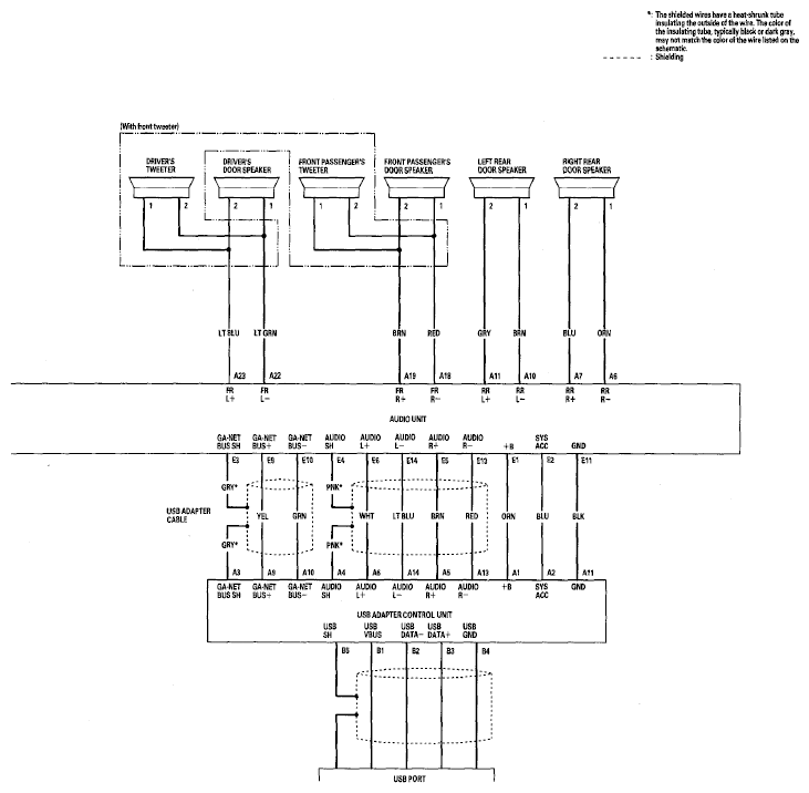
Fig 1: Audio System Circuit Diagram (1 Of 2)
G06768798Courtesy of AMERICAN HONDA MOTOR CO., INC.
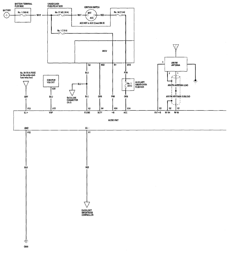
Fig 2: Audio System Circuit Diagram (2 Of 2)
G06768799Courtesy of AMERICAN HONDA MOTOR CO., INC.