LEMON Manuals: Even more car manuals for everyone: 1960-2025
Home >> Honda >> 2012 >> Insight Base >> Repair and Diagnosis >> Accessories & Equipment >> Cruise Control Systems >> Circuit Diagram
April 5, 2026: LEMON Manuals is launched! Read the announcement.

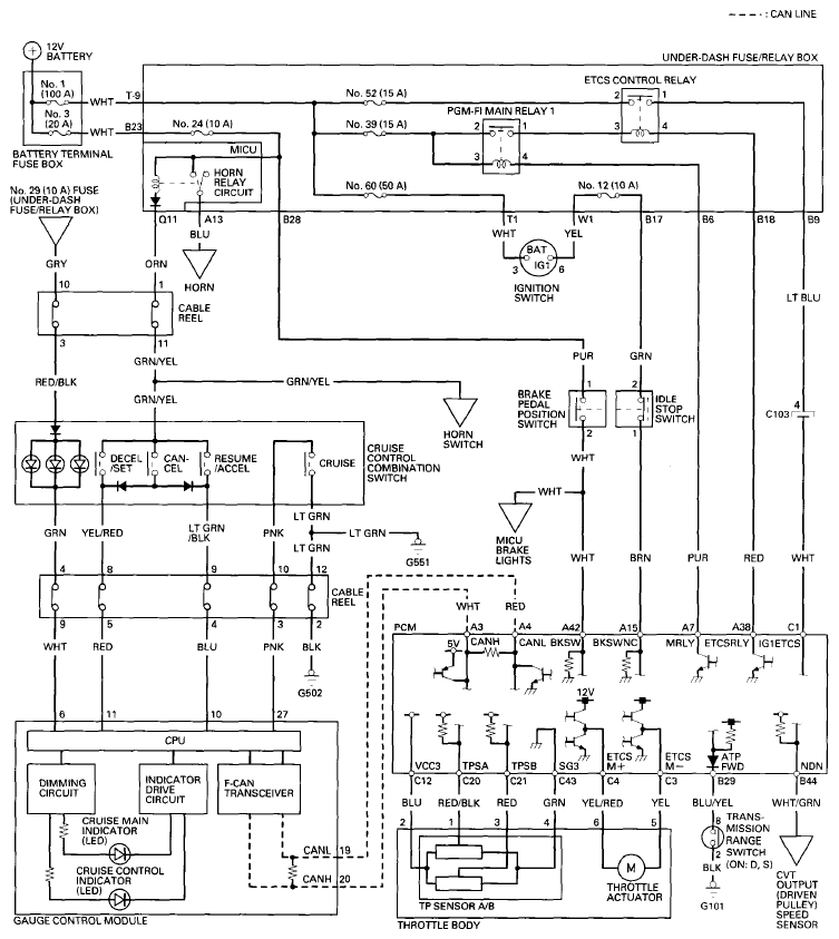
Circuit Diagram

Fig 1: Cruise Control Circuit Diagram
G08091753Courtesy of AMERICAN HONDA MOTOR CO., INC.