LEMON Manuals: Even more car manuals for everyone: 1960-2025
Home >> Honda >> 2012 >> Insight Base >> Repair and Diagnosis >> Engine Mechanical >> Lubrication System >> Engine Lubrication >> Component Location Index
April 5, 2026: LEMON Manuals is launched! Read the announcement.

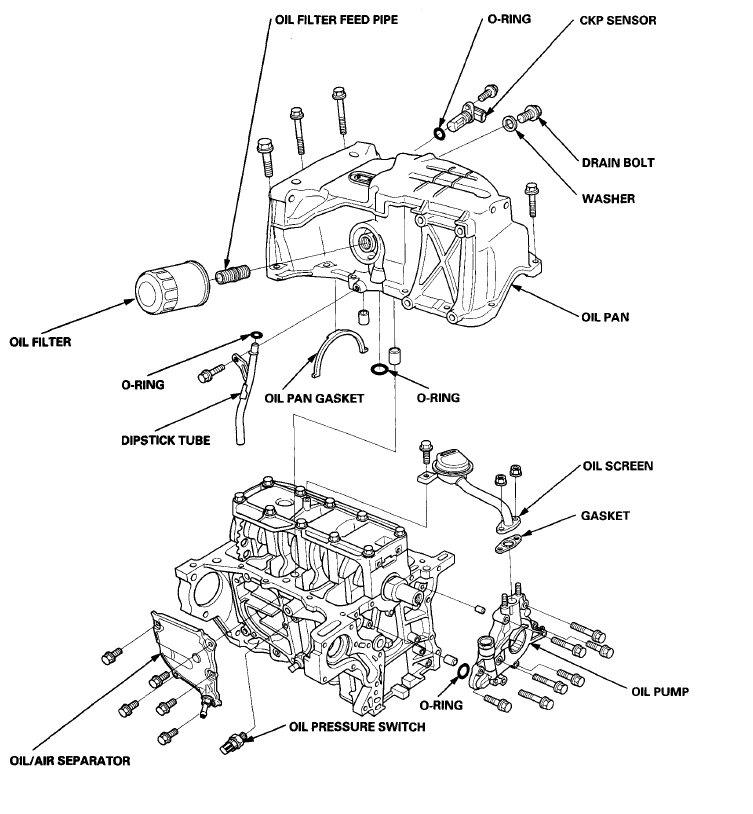
Component Location Index

Fig 1: Engine Lubrication System Components
G08092027Courtesy of AMERICAN HONDA MOTOR CO., INC.