LEMON Manuals: Even more car manuals for everyone: 1960-2025
Home >> Honda >> 2012 >> Insight Base >> Repair and Diagnosis >> Engine Mechanical >> Mechanical >> Engine Assembly >> Engine Removal
April 5, 2026: LEMON Manuals is launched! Read the announcement.

Engine Removal

Special Tools Required 

*Available through the Honda Tool and Equipment Program 888-424-6857

NOTE:
  • IMA components are located in this area. The IMA is a high-voltage system. You must be familiar with the IMA system before working on or around it. Make sure you have read the IMA service precaution before doing repairs or service (see SERVICE PRECAUTIONS ).
  • Use fender covers to avoid damaging painted surfaces.
  • To avoid damaging the wiring and terminals, unplug the wiring connectors carefully while holding the connector portion.
  • Mark all wiring and hoses to avoid misconnection at reassembly. Also, be sure that they do not contact other wiring or hoses, or interfere with other parts.
  1. Turn the battery module switch OFF (see DISCONNECTING THE MOTOR POWER CABLE CONNECTOR FROM THE MOTOR STATOR ).
  2. Before removing the engine/transmission, read the Service Precautions for the IMA System (see SERVICE PRECAUTIONS ).
  3. Open the hood, and secure it with the hood support rod (A) in the wide-open position (B).
    Fig 1: Identifying Hood Support Rod And Its Wide-Open Position
    G08091757Courtesy of AMERICAN HONDA MOTOR CO., INC.
  4. Relieve fuel pressure (see FUEL PRESSURE RELIEVING ).
  5. Do the 12 volt battery removal procedure (see RECONNECTION ).
  6. Remove the cowl cover and the under-cowl panel (see COWL COVER REPLACEMENT ).
  7. Remove the air cleaner (see AIR CLEANER REMOVAL/INSTALLATION ).
  8. Disconnect the battery cables (A) from the battery terminal fuse box.
    Fig 2: Identifying Battery Cables And Harness Clamp
    G08091758Courtesy of AMERICAN HONDA MOTOR CO., INC.
  9. Remove the harness clamps (B).
  10. Remove the harness clamp (A).
    Fig 3: Identifying Battery Harness Clamp, Bolts And Base
    G08091759Courtesy of AMERICAN HONDA MOTOR CO., INC.
  11. Remove the two bolts (B) and loosen the two bolts (C), then remove the battery base (D).
  12. Remove the PCM cover (A).
    Fig 4: Identifying PCM Cover
    G08091760Courtesy of AMERICAN HONDA MOTOR CO., INC.
  13. Disconnect the PCM connectors (A) and the engine wire harness connectors (B).
    Fig 5: Identifying PCM And Connectors, Engine Wire Harness Connectors, Harness Clamp
    G08091761Courtesy of AMERICAN HONDA MOTOR CO., INC.
  14. Remove the harness clamp (C) and the harness holder (D), then remove the PCM (E).
  15. Disconnect the EVAP canister hose (A) and the brake booster vacuum hose (B).
    Fig 6: Identifying EVAP Canister Hose And Brake Booster Vacuum Hose
    G08091762Courtesy of AMERICAN HONDA MOTOR CO., INC.
  16. Remove the fuel feed hose clamp bracket (A) and the quick-connect fitting cover (B), then disconnect the fuel feed hose (C) (see FUEL LINE/QUICK-CONNECT FITTING REMOVAL ).
    Fig 7: Identifying Fuel Feed Hose Clamp Bracket, Quick-Connect Fitting Cover And Fuel Feed Hose
    G08091763Courtesy of AMERICAN HONDA MOTOR CO., INC.
  17. Disconnect the secondary HO2S connector (A), then remove the secondary HO2S harness from the clamps (B).
    Fig 8: Identifying Secondary HO2S Connector And Clamps
    G08091764Courtesy of AMERICAN HONDA MOTOR CO., INC.
  18. Remove the steering joint cover, then disconnect the steering joint from the steering gearbox pinion shaft (see step 5 on REMOVAL ).
    NOTE:
    • Hold the steering wheel in the steering wheel holder tool.
    • Hold the lower slide shaft on the column with a piece of wire between the joint yokes.
  19. Remove the radiator cap.
    NOTE: Wait until the engine is cool, then carefully remove the radiator cap.
  20. Raise the vehicle on the lift.
  21. Remove the front wheels.
  22. Remove the splash shield (see SPLASH SHIELD REPLACEMENT ).
  23. Remove the drive belt (see DRIVE BELT REPLACEMENT ).
  24. Loosen the drain plug in the radiator, and drain the engine coolant (see COOLANT CHECK ).
  25. Drain the engine oil (see ENGINE OIL REPLACEMENT ).
  26. Drain the transmission fluid (see CVT FLUID REPLACEMENT ).
  27. Remove the secondary HO2S harness from the clamp (A).
    Fig 9: Identifying Secondary HO2S Harness Clamp And Under-Floor TWC Assembly
    G08091765Courtesy of AMERICAN HONDA MOTOR CO., INC.
  28. Remove the under-floor TWC (B).
  29. Remove the stabilizer links from the stabilizer (see STABILIZER LINK REMOVAL/INSTALLATION ).
  30. Separate the knuckles from the lower arms (see step 4 on LOWER ARM REMOVAL/INSTALLATION ).
  31. Separate the tie-rod end ball joint from the knuckles (see step 9 on KNUCKLE/HUB/WHEEL BEARING REPLACEMENT ).
  32. Disconnect the EPS motor connector and the torque sensor connector (see step 18 on STEERING GEARBOX REMOVAL AND INSTALLATION ).
  33. Remove the driveshaft heat shield.
    Fig 10: Identifying Driveshaft Heat Shield
    G08091766Courtesy of AMERICAN HONDA MOTOR CO., INC.
  34. Remove the driveshafts (see DRIVESHAFT INSPECTION ). Coat all precision-finished surfaces with clean engine oil. Tie a plastic bags over the driveshaft ends.
  35. Remove the A/C compressor without disconnecting the A/C hoses. Do not bend the A/C hoses excessively.
    NOTE: Hang the A/C compressor with a wire tie.
    Fig 11: Identifying A/C Compressor Mounting Bolts
    G08091767Courtesy of AMERICAN HONDA MOTOR CO., INC.
  36. Lower the vehicle on the lift.
  37. Remove the radiator (see RADIATOR REPLACEMENT ).
  38. Disconnect the heater hoses (A).
    Fig 12: Identifying Heater Hoses
    G08091768Courtesy of AMERICAN HONDA MOTOR CO., INC.
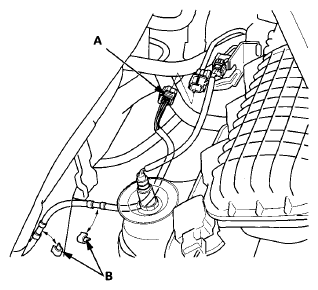
  39. Disconnect the IMA power cable connector and the harness clamp.
    NOTE: Make sure you have read the IMA system service precautions (see SERVICE PRECAUTIONS ).
    Fig 13: Identifying IMA Power Cable Connector And Harness Clamp
    G08091769Courtesy of AMERICAN HONDA MOTOR CO., INC.
  40. Remove the shift cable (see SHIFT CABLE REPLACEMENT ).
  41. Remove the canister purge hose (A).
    Fig 14: Identifying Canister Purge Hose And Universal Lifting Eyelet
    G08091770Courtesy of AMERICAN HONDA MOTOR CO., INC.
  42. Attach the first universal lifting eyelet (07AAK-SNAA120) to the air cleaner bracket hole (B) with a bolt (C) and a nut (D).
  43. Remove the harness clamp (A) from its clamp bracket (B) located in front of the damper top.
    Fig 15: Identifying Engine Support Hanger (AAR-T1256)
    G08091771Courtesy of AMERICAN HONDA MOTOR CO., INC.
  44. Install the engine support hanger (AAR-T1256). Carefully position the engine support hanger to the vehicle; position both cross-arm foot bases (C) over the harness clamp brackets on both sides, and position both fronts stands (D) on the front bulkhead. Attach the hook (E) to the slotted hole in the first universal lifting eyelet (F), tighten the wing nut (G) by hand, and lift and support the engine/IMA motor/transmission.
    NOTE: Be careful when working around the windshield.
  45. Raise the vehicle on the lift.
  46. Support the transmission with a transmission jack and wood block under the transmission.
  47. Remove the torque rod (A).
    NOTE: Make sure the tab (B) on the bolt head aligned with the guide (C) on the front subframe.
    Fig 16: Removing Torque Rod
    G08091772Courtesy of AMERICAN HONDA MOTOR CO., INC.
  48. Remove the transmission jack and wood block from under the transmission.
  49. Support the front subframe with a transmission jack and wood block under the front subframe.
  50. Remove the front subframe mounting bolts.
    Fig 17: Identifying Front Subframe Mounting Bolts
    G08091773Courtesy of AMERICAN HONDA MOTOR CO., INC.
  51. Lower the front subframe and steering gearbox as an assembly by lowering the jack slowly, then remove the assembly from under the vehicle.
  52. Lower the vehicle on the lift.
  53. Attach the second universal lifting eyelet to the cam chain case.
    Fig 18: Identifying Second Universal Lifting Eyelet
    G08091774Courtesy of AMERICAN HONDA MOTOR CO., INC.
  54. Attach a chain hoist to the second universal lifting eyelet (A) and the transmission hanger (B), then lift the engine/IMA motor/transmission until it is securely supported by the chain hoist, then remove the engine support hanger and the first universal lifting eyelet.
    NOTE: Wrap the VSA modulator-control unit with the clean shop towel.
    Fig 19: Lifting Engine/IMA Motor/Transmission
    G08091775Courtesy of AMERICAN HONDA MOTOR CO., INC.
  55. Remove the harness holders (A).
    Fig 20: Identifying Harness Holders & Transmission Mount Fasteners
    G08091776Courtesy of AMERICAN HONDA MOTOR CO., INC.
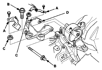
  56. Remove the transmission mount bolts (B), and nuts (C), then remove the transmission mount bracket (D).
  57. Remove the ground cable (A), then remove the side engine mount/bracket assembly (B).
    Fig 21: Identifying Ground Cable And Side Engine Mount/Bracket Assembly
    G08091777Courtesy of AMERICAN HONDA MOTOR CO., INC.
  58. Check that the engine/IMA motor/transmission is completely free of the vacuum hoses, the fuel hoses, the coolant hoses, and the electrical wiring.
  59. Slowly lower the engine/IMA motor/transmission about 150 mm (5.91 in). Check once again that all the hoses and the electrical wiring are disconnected and free from the engine/IMA motor/transmission, then lower it all the way and support it.
  60. Disconnect the chain hoist from the engine/IMA motor/transmission, then remove the second universal lifting eyelet.
  61. Raise the vehicle, and remove the engine/IMA motor/transmission from under the vehicle.