LEMON Manuals: Even more car manuals for everyone: 1960-2025
Home >> Honda >> 2012 >> Insight Base >> Repair and Diagnosis >> Transmission >> Automatic Trans >> CVT >> System Description >> Hydraulic Flow >> P Position
April 5, 2026: LEMON Manuals is launched! Read the announcement.

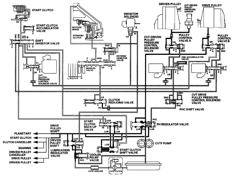
P Position

The manual valve is shifted into the P position, and the manual valve blocks hydraulic pressure to the forward clutch. Hydraulic pressure is not applied to the start and forward clutches, and power is not transmitted to the drive pulley shaft.

Fig 1: Hydraulic Pressure Flow Circuit Diagram (P Position)
G08093043Courtesy of AMERICAN HONDA MOTOR CO., INC.