LEMON Manuals: Even more car manuals for everyone: 1960-2025
Home >> Honda >> 2012 >> Odyssey EX-L >> Repair and Diagnosis >> Engine Performance >> System >> Fuel And Emissions Systems >> System Description >> PCM Electrical Connections
April 5, 2026: LEMON Manuals is launched! Read the announcement.

PCM Electrical Connections

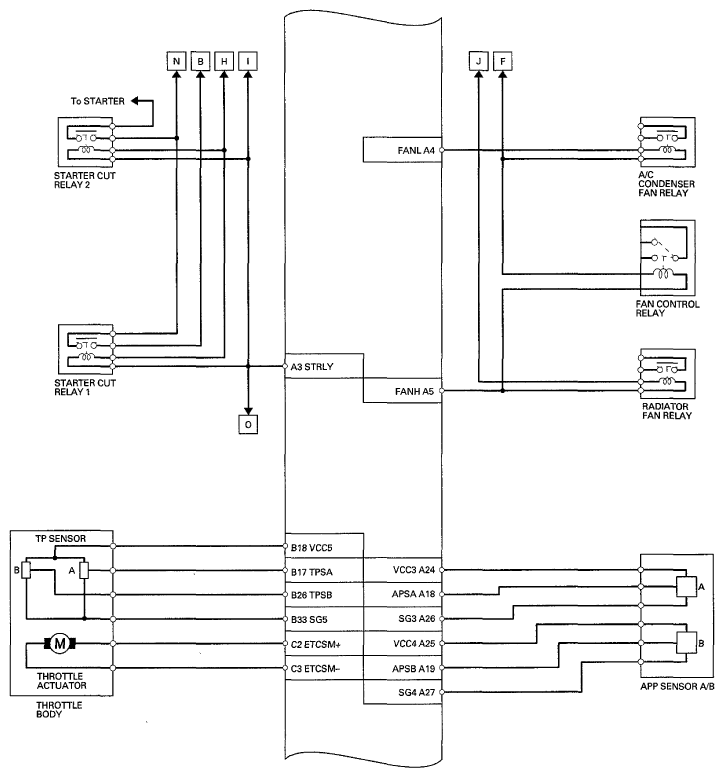
Fig 1: PCM Electrical Connections (1 Of 8)
G00522673Courtesy of AMERICAN HONDA MOTOR CO., INC.
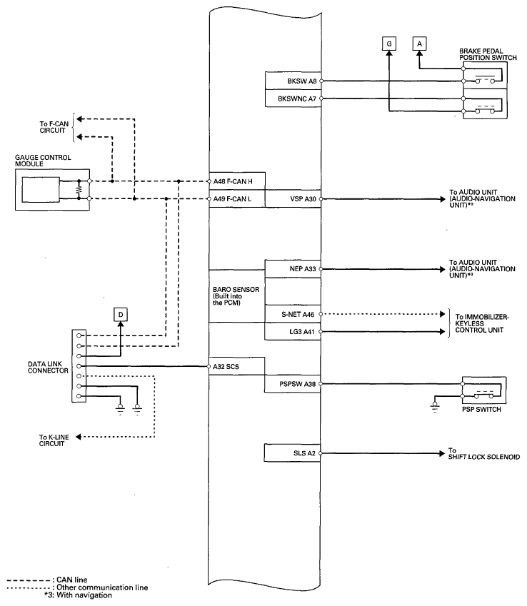
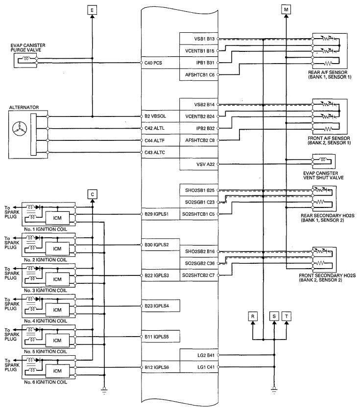
Fig 2: PCM Electrical Connections (2 Of 8)
G06963700Courtesy of AMERICAN HONDA MOTOR CO., INC.
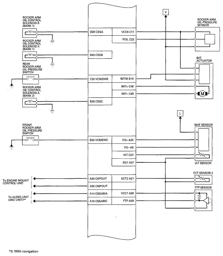
Fig 3: PCM Electrical Connections (3 Of 8)
G06963701Courtesy of AMERICAN HONDA MOTOR CO., INC.
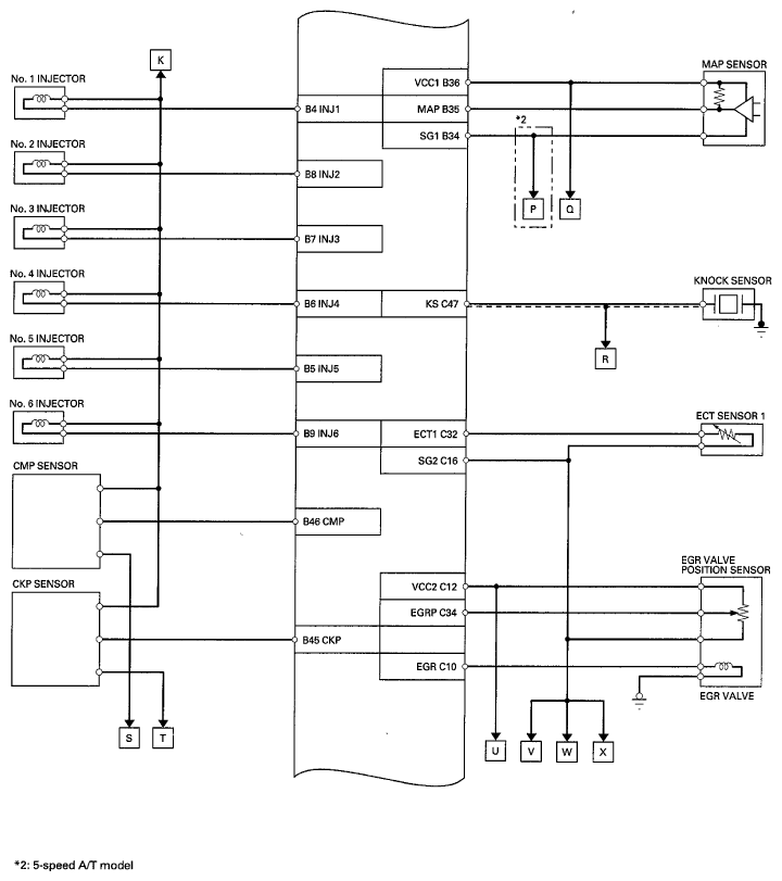
Fig 4: PCM Electrical Connections (4 Of 8)
G06963702Courtesy of AMERICAN HONDA MOTOR CO., INC.
Fig 5: PCM Electrical Connections (5 Of 8)
G06963703Courtesy of AMERICAN HONDA MOTOR CO., INC.
Fig 6: PCM Electrical Connections (6 Of 8)
G06963704Courtesy of AMERICAN HONDA MOTOR CO., INC.
Fig 7: PCM Electrical Connections (7 Of 8)
G06963705Courtesy of AMERICAN HONDA MOTOR CO., INC.
Fig 8: PCM Electrical Connections (8 Of 8)
G00522675Courtesy of AMERICAN HONDA MOTOR CO., INC.