LEMON Manuals: Even more car manuals for everyone: 1960-2025
Home >> Honda >> 2012 >> Odyssey EX >> Repair and Diagnosis >> Engine Performance >> System >> EVAP System >> EVAP Canister Replacement
April 5, 2026: LEMON Manuals is launched! Read the announcement.

EVAP Canister Replacement

  1. Raise the vehicle on a lift.
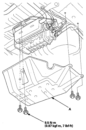
  2. Remove the EVAP canister cover (A).
    Fig 1: EVAP Canister Cover And Bolts With Torque Specification
    G06964049Courtesy of AMERICAN HONDA MOTOR CO., INC.
  3. Disconnect the quick-connect fitting (A), the hoses (B), the EVAP canister vent shut valve 2P connector (C), and the FTP sensor 3P connector (D), and remove the harness clamp (E).
    Fig 2: Quick-Connect Fitting, Hoses And EVAP Canister Vent Shut Valve 2P Connector With Torque Specifications
    G06964050Courtesy of AMERICAN HONDA MOTOR CO., INC.
  4. Remove the bolts (F).
  5. Remove the EVAP canister assembly (G).
  6. Remove the EVAP canister (A) from the bracket.
    Fig 3: EVAP Canister With Torque Specifications
    G06964051Courtesy of AMERICAN HONDA MOTOR CO., INC.
  7. Remove the EVAP canister vent shut valve (A) and the FTP sensor (B) from the EVAP canister.
    Fig 4: Identifying EVAP Canister Vent Shut Valve, FTP Sensor, O-Ring And Retainer
    G06964052Courtesy of AMERICAN HONDA MOTOR CO., INC.
  8. Reassemble the EVAP canister with new O-rings (C), a new cap (D), and a new retainer (E), then install the EVAP canister bracket.
    NOTE: Do not coat the O-rings with oil.
  9. Install the parts in the reverse order of removal.