LEMON Manuals: Even more car manuals for everyone: 1960-2025
Home >> Honda >> 2012 >> Odyssey V6-3.5L >> Repair and Diagnosis >> Powertrain Management >> Computers and Control Systems >> Description and Operation >> Fuel And Emissions System Description - Electronic Control System >> Part 2
April 5, 2026: LEMON Manuals is launched! Read the announcement.

Part 2




Fuel and Emissions System Description - Electronic Control System

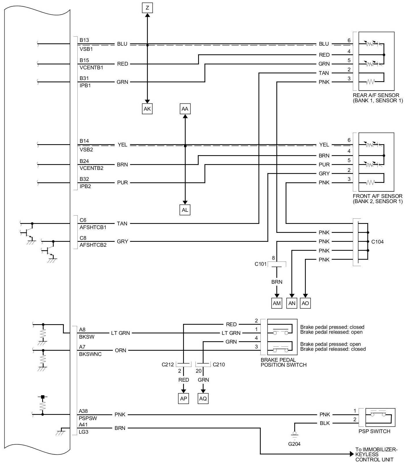
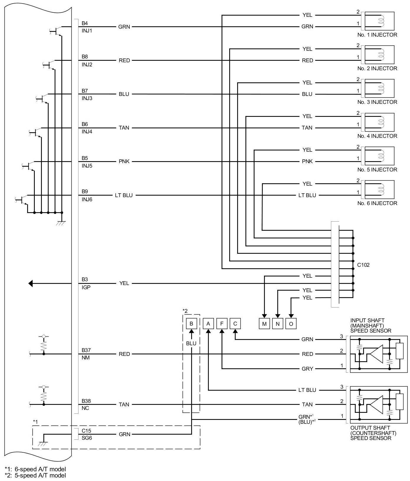
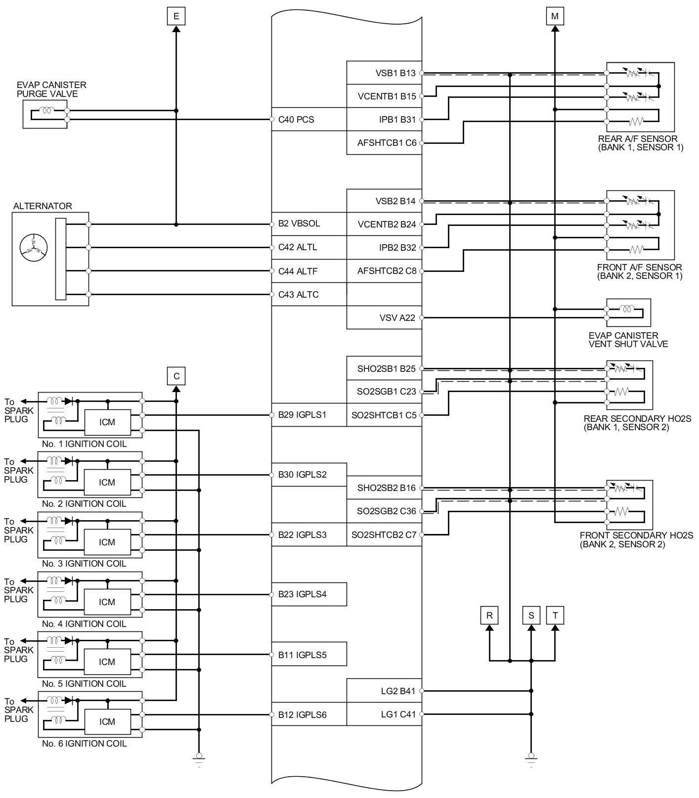
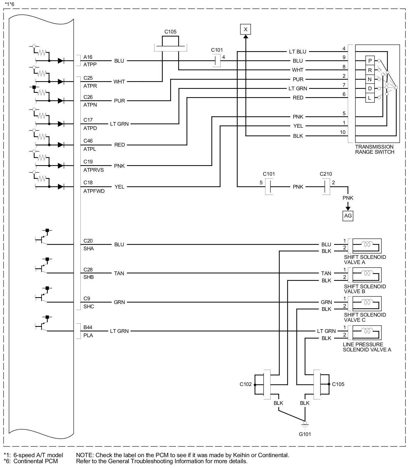
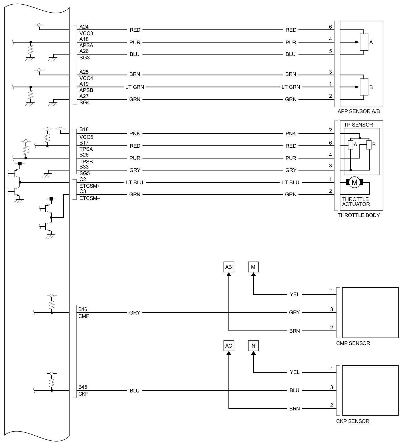
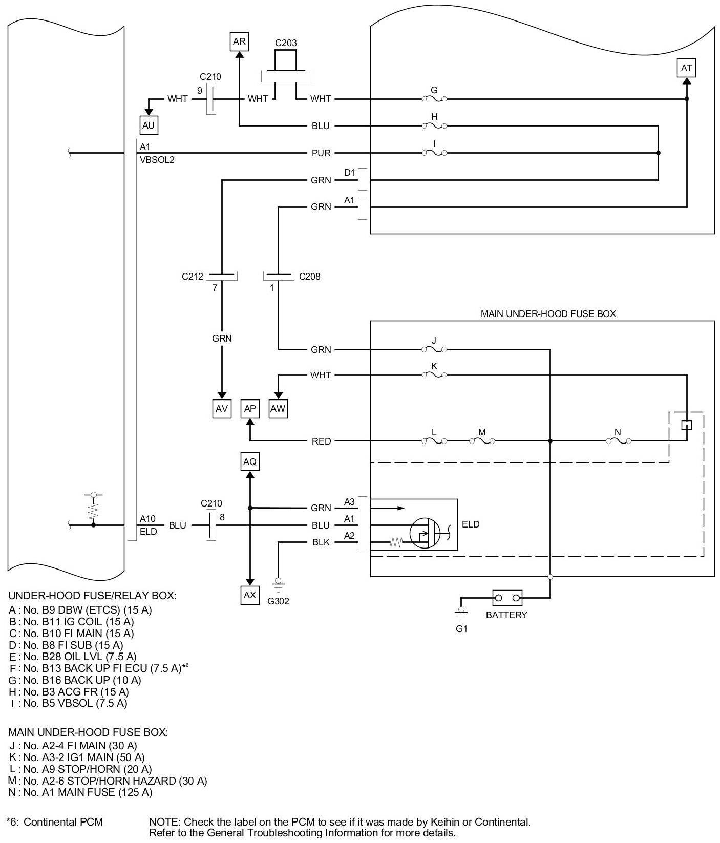
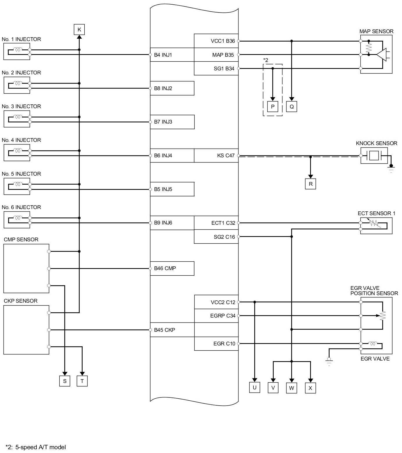
PCM Inputs and Outputs at PCM Connector C (circle) (49P)





NOTE: Check the label on the PCM to see if it was made by Keihin or Continental. Refer to the General Troubleshooting Information for more details.










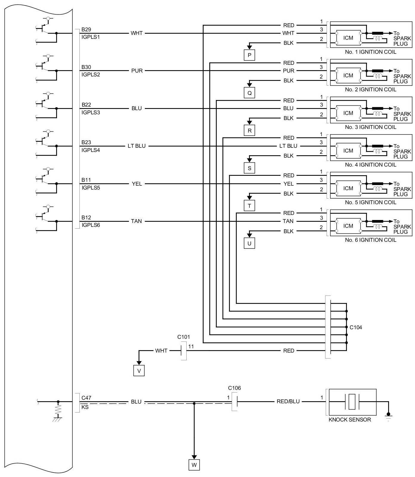
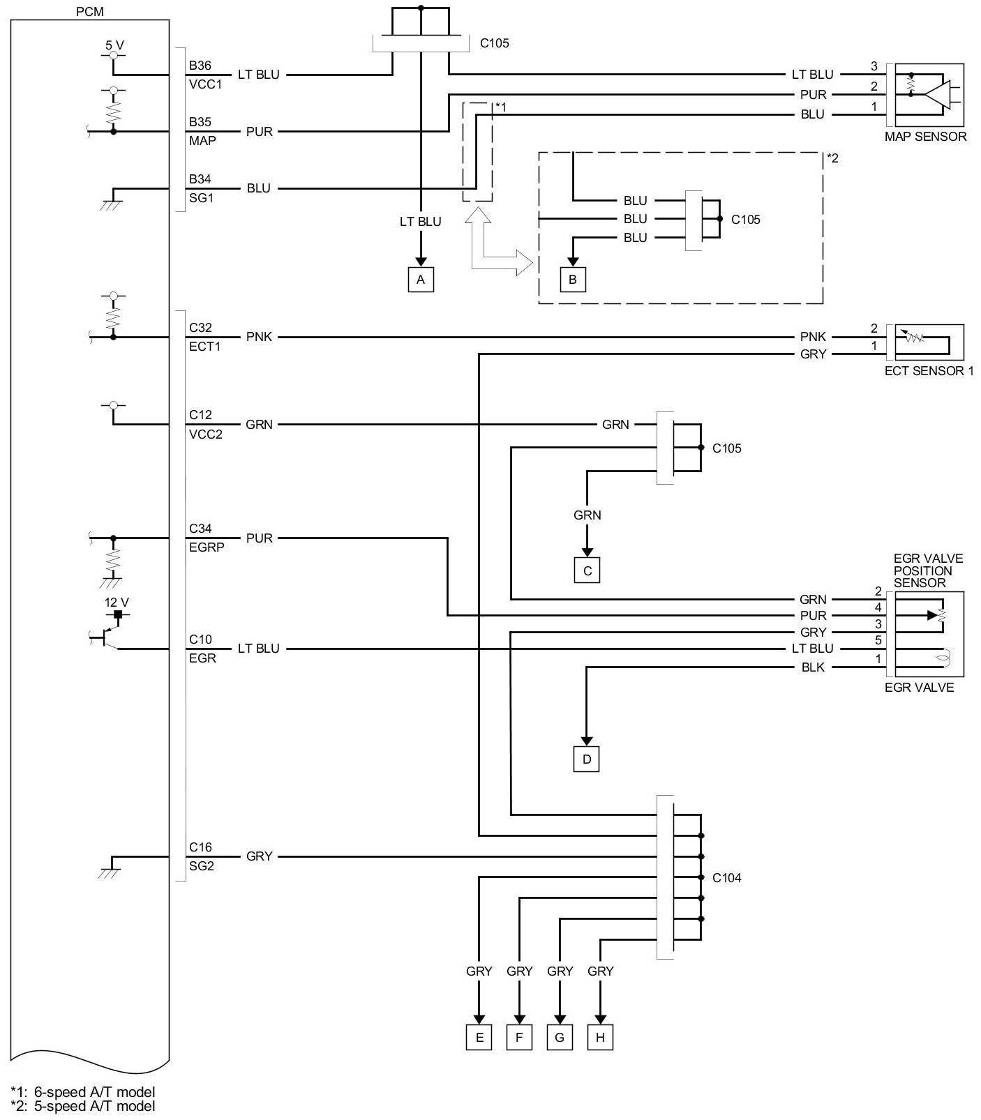
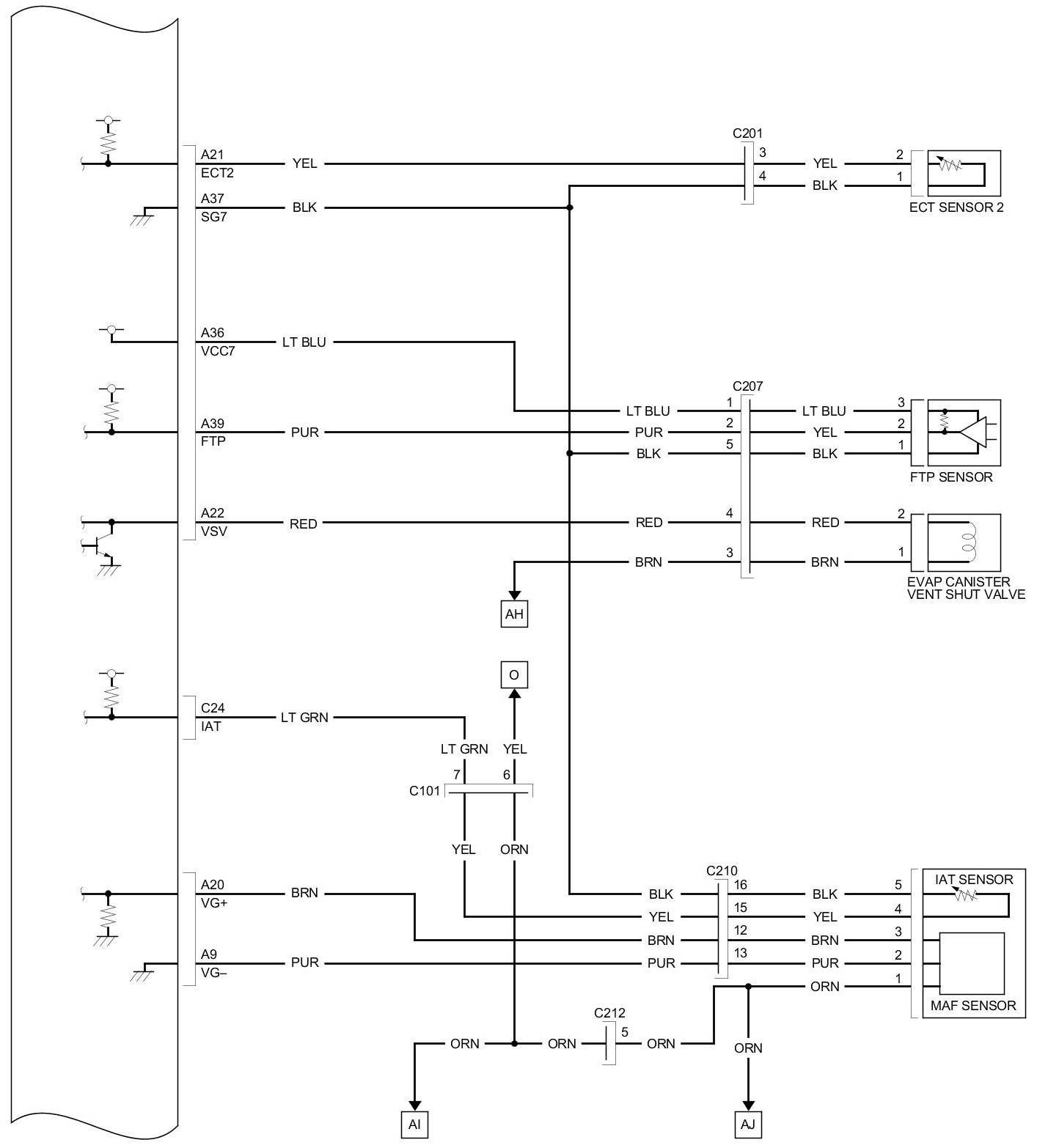
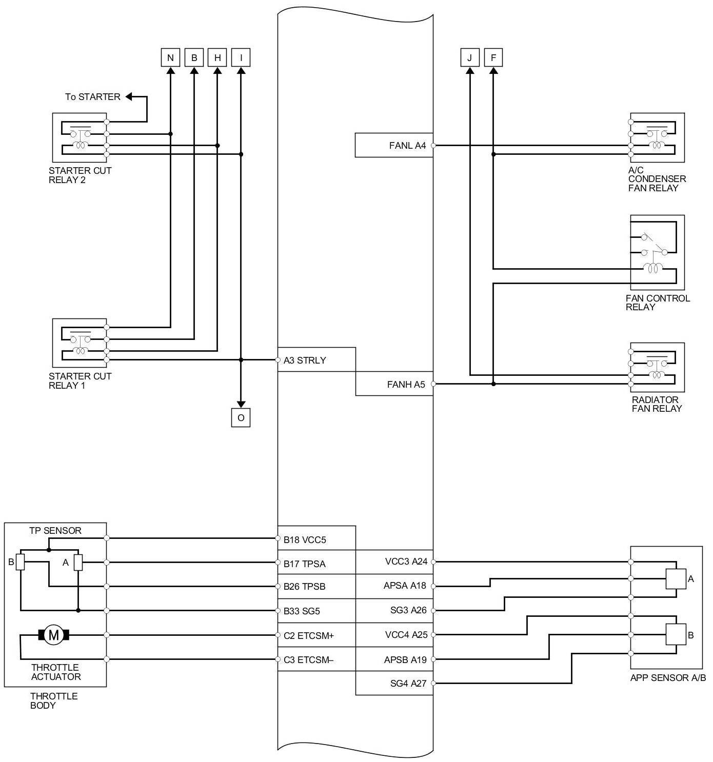
PCM Inputs and Outputs at PCM Connector C (circle) (49P)





NOTE: Check the label on the PCM to see if it was made by Keihin or Continental. Refer to the General Troubleshooting Information for more details.










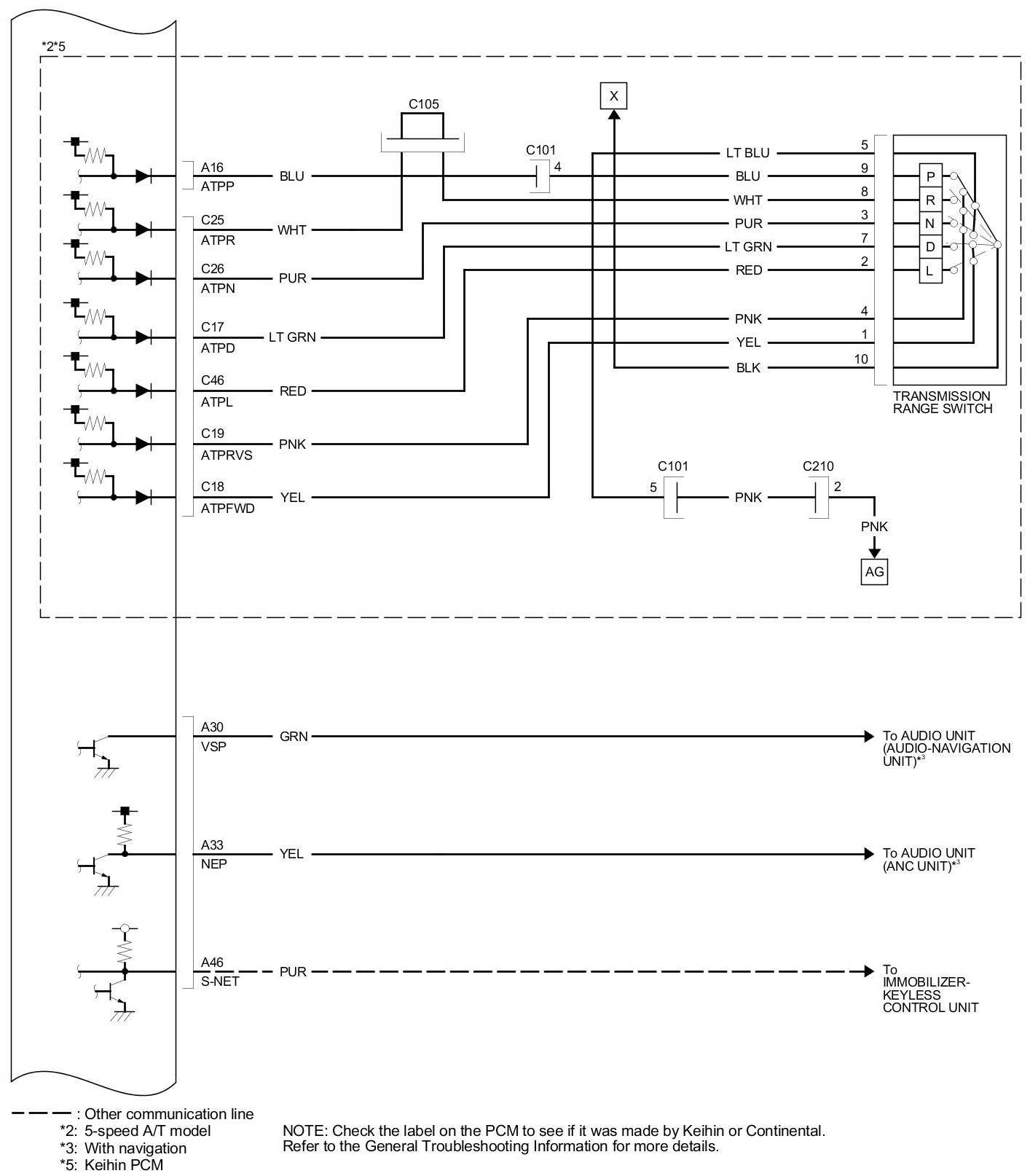
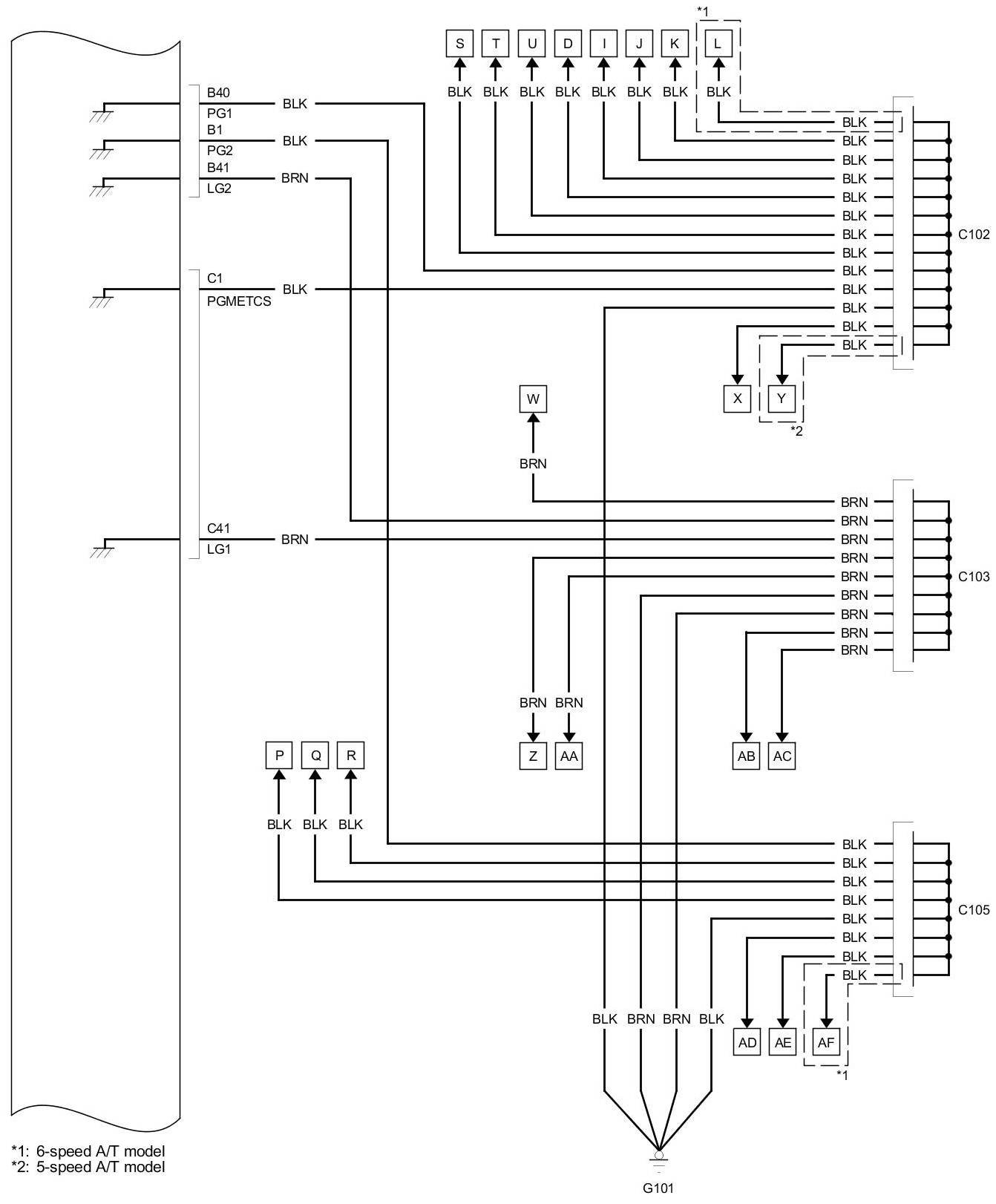
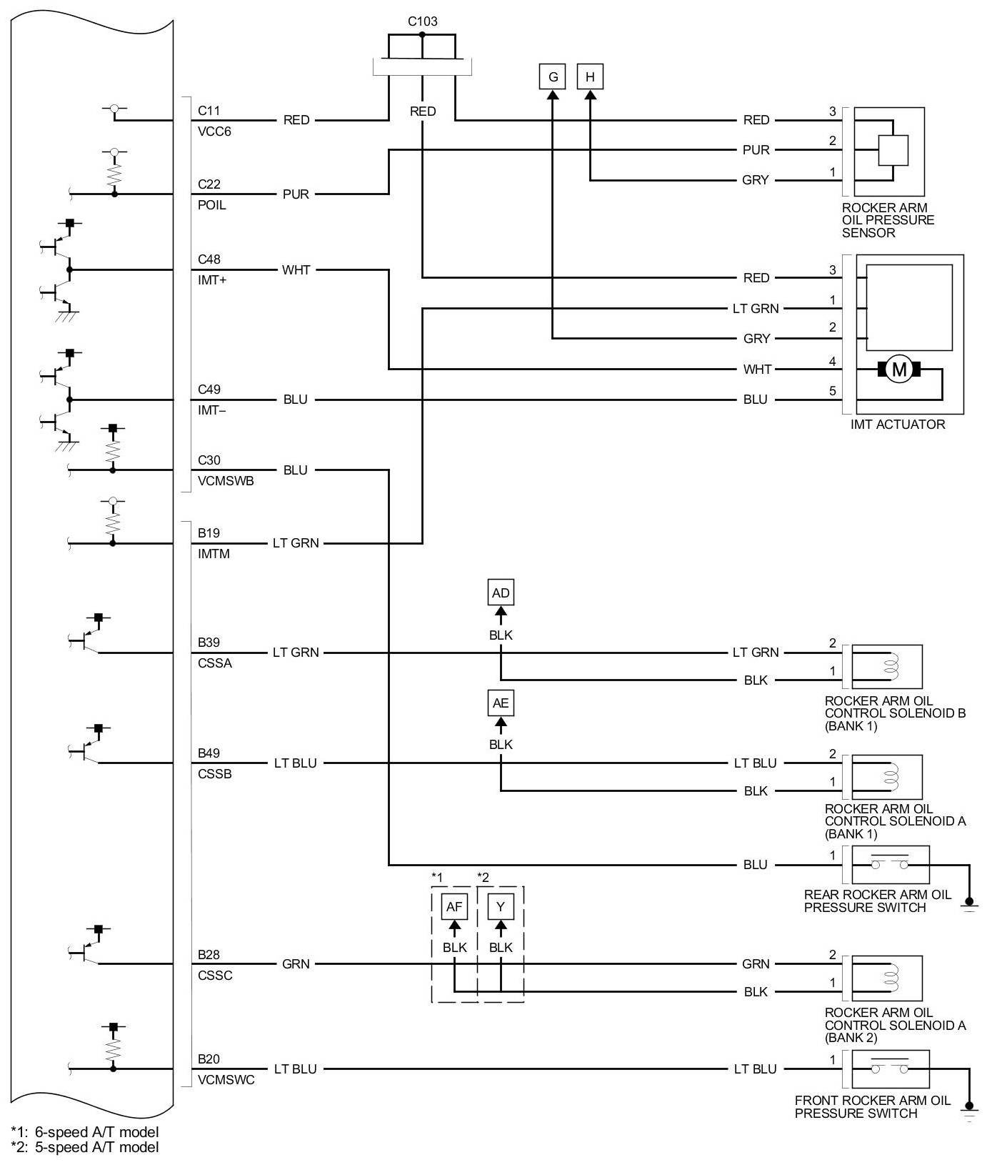
PCM Inputs and Outputs at PCM Connector C (circle) (49P)





NOTE: Check the label on the PCM to see if it was made by Keihin or Continental. Refer to the General Troubleshooting Information for more details.










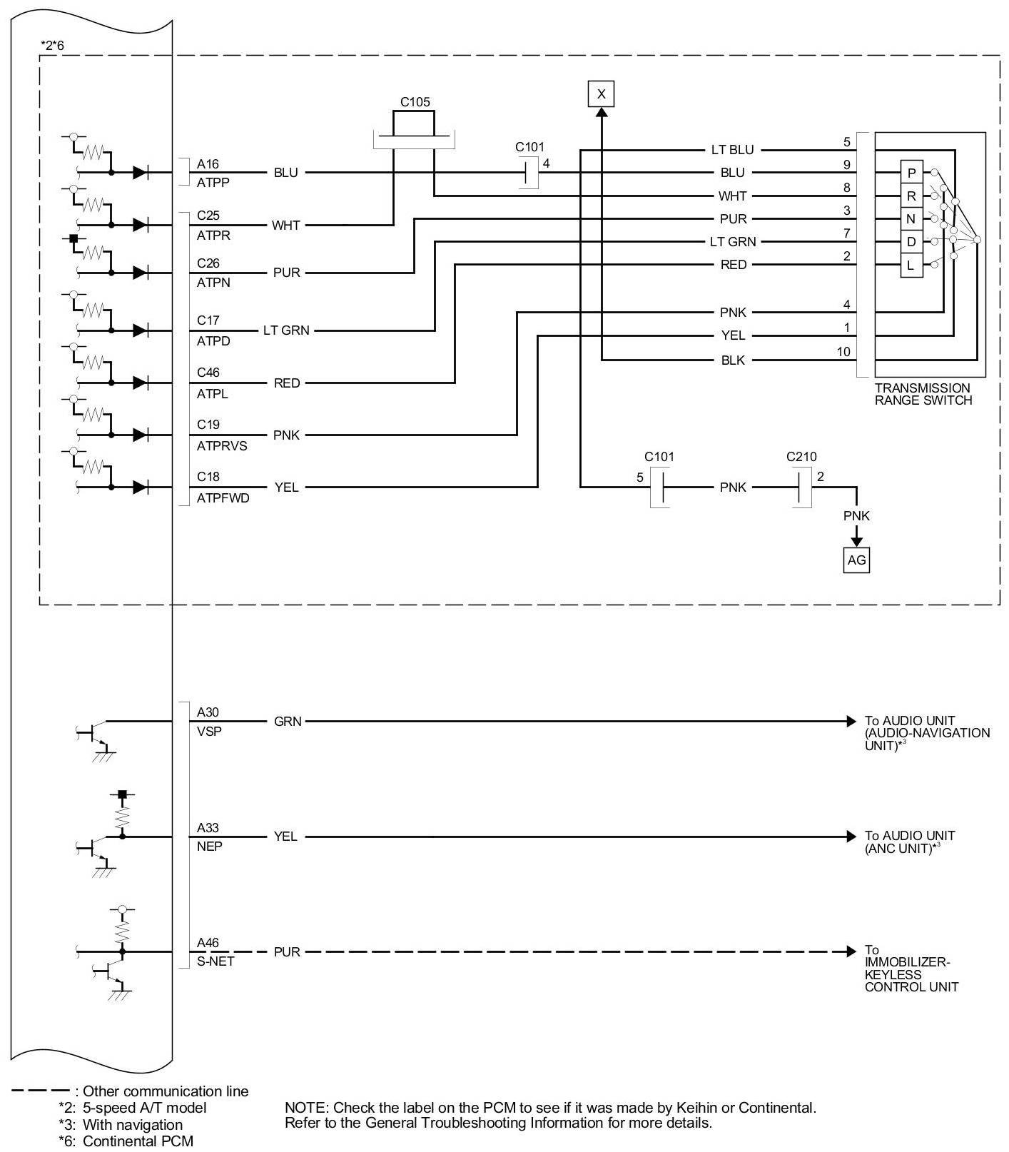
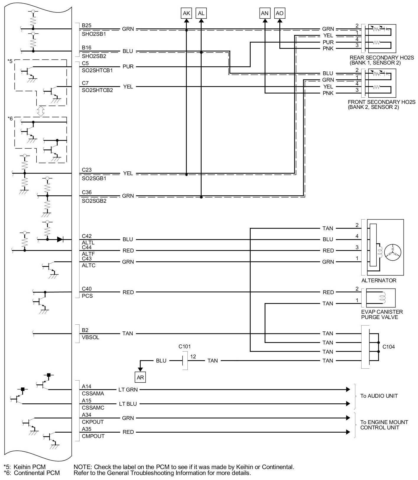
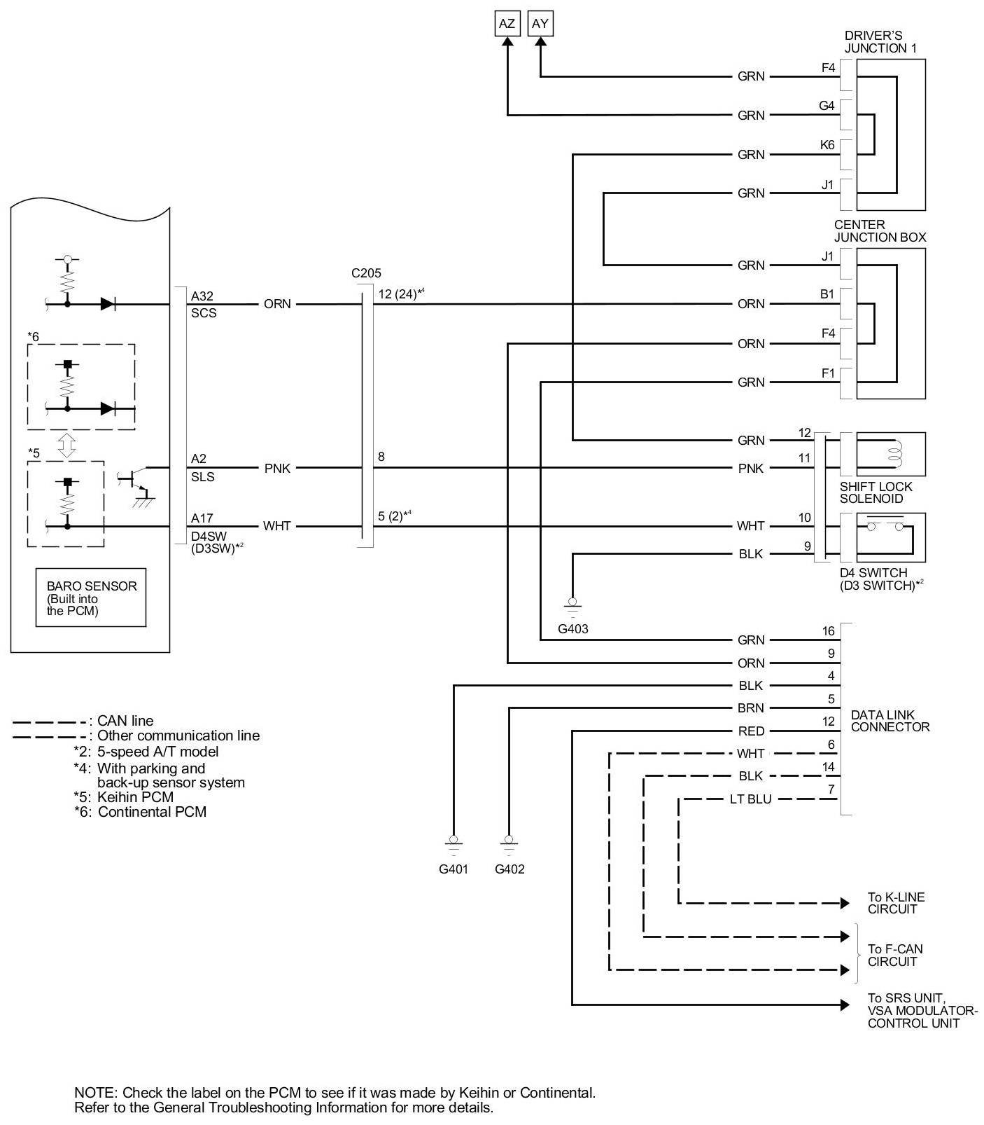
PCM Inputs and Outputs at PCM Connector C (circle) (49P)





NOTE: Check the label on the PCM to see if it was made by Keihin or Continental. Refer to the General Troubleshooting Information for more details.










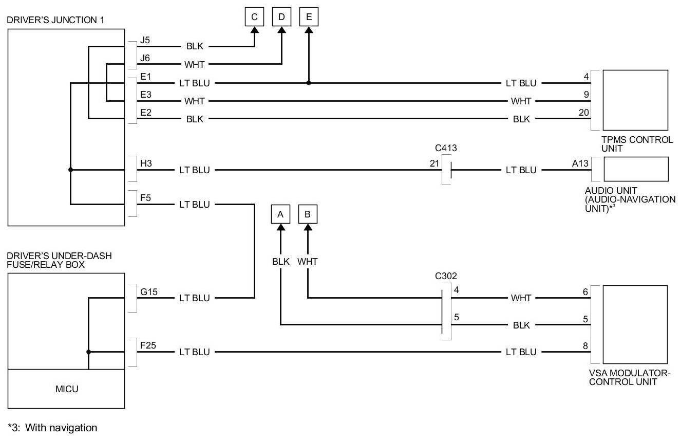
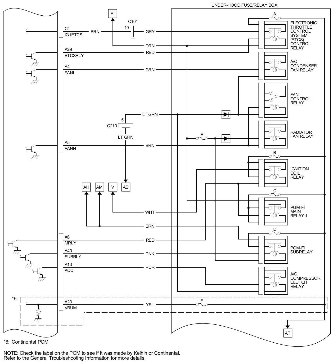
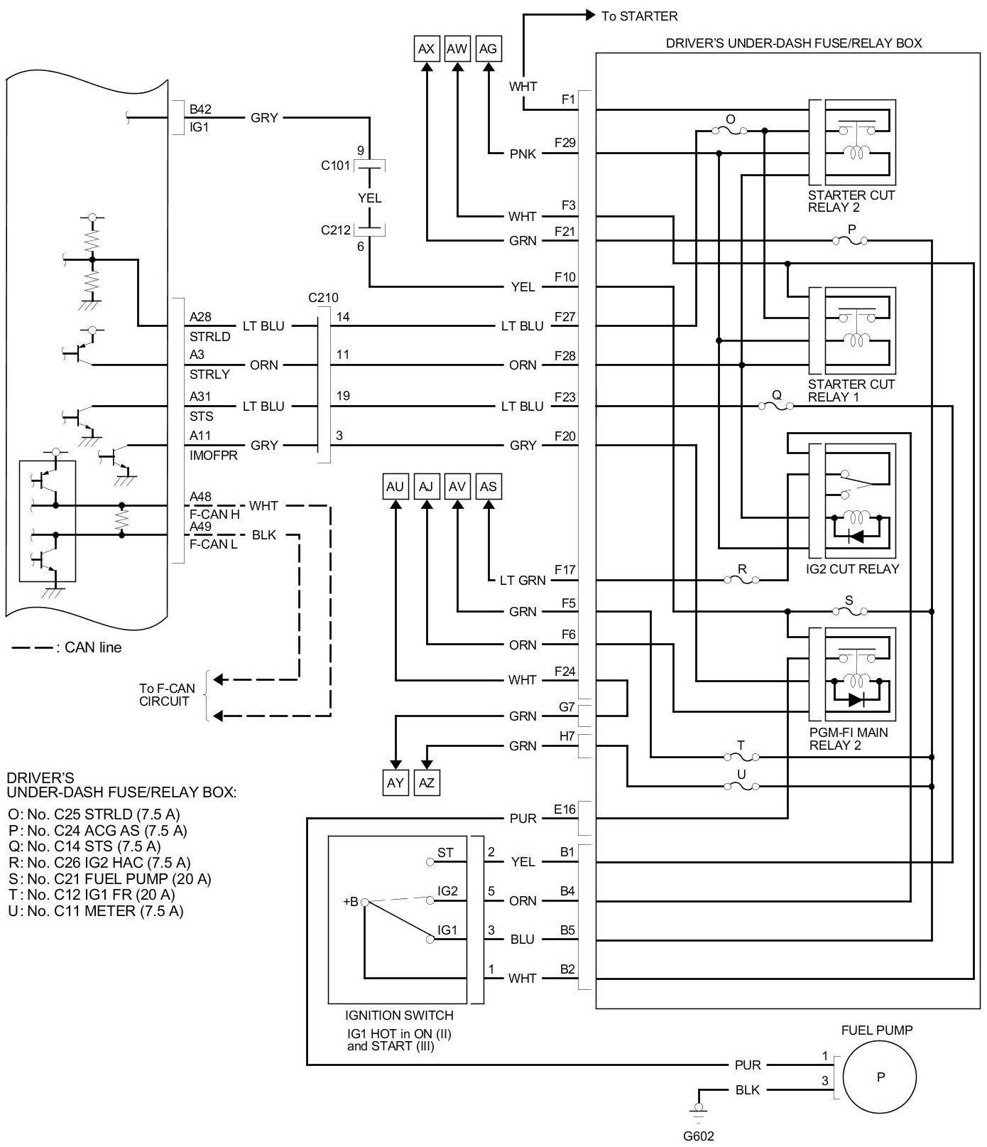
PCM Electrical Connections


































PCM Circuit Diagram






















































































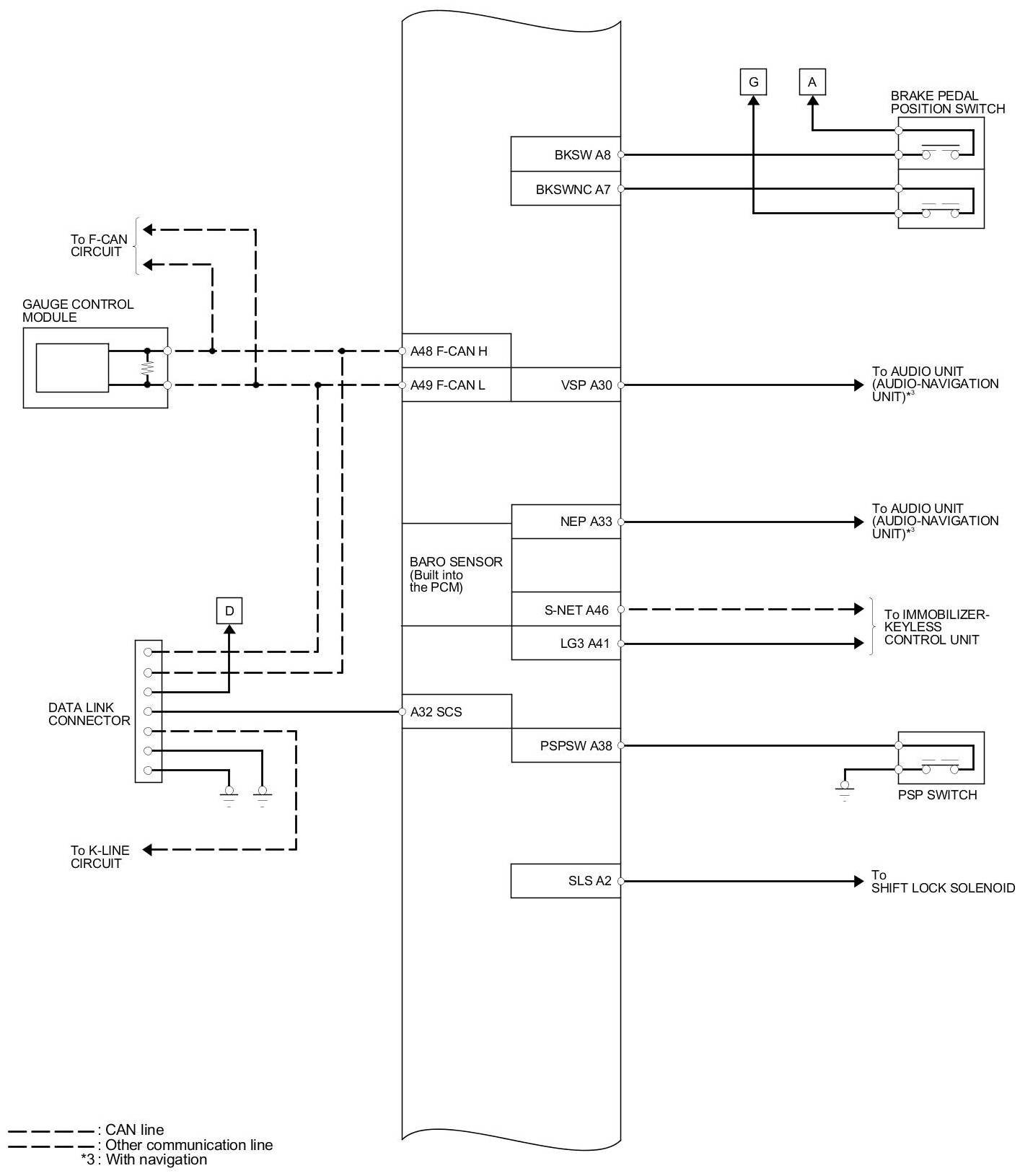
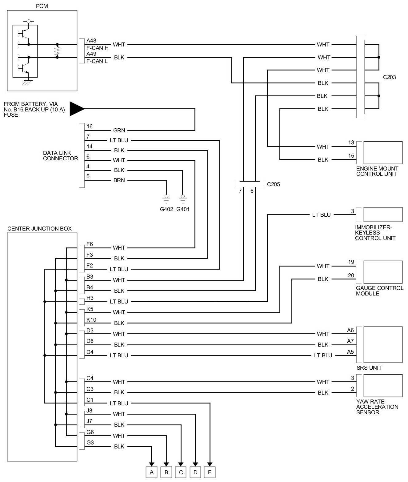
Communication Systems Circuit Diagram