LEMON Manuals: Even more car manuals for everyone: 1960-2025
Home >> Honda >> 2012 >> Pilot 2WD V6-3.5L >> Repair and Diagnosis >> Heating and Air Conditioning >> Locations >> Climate Control System Component Location Index
April 5, 2026: LEMON Manuals is launched! Read the announcement.

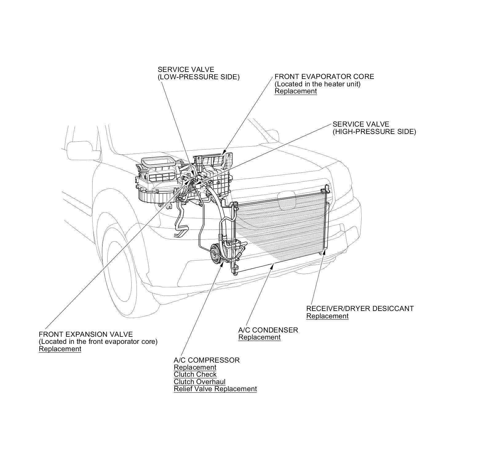
Climate Control System Component Location Index




Climate Control System Component Location Index