LEMON Manuals
: Even more car manuals for everyone: 1960-2025
Home
>>
Honda
>>
2012
>>
Ridgeline RTL
>>
Repair and Diagnosis
>>
Engine Performance
>>
System
>>
Advanced Diagnostics
>>
DTC P0506: Idle Control System RPM Lower Than Expected
>>
Notes
April 5, 2026:
LEMON Manuals is launched!
Read the announcement.
DTC P0506: Idle Control System RPM Lower Than Expected: Notes
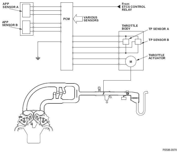
Fig 1: Idle Control System RPM Lower Than Expected - Wiring Diagram
Courtesy of AMERICAN HONDA MOTOR CO., INC.
Fig 2: Idle Control System Operation Graph
Courtesy of AMERICAN HONDA MOTOR CO., INC.