LEMON Manuals: Even more car manuals for everyone: 1960-2025
Home >> Honda >> 2013 >> CR-Z Base, Standard Trans >> Repair and Diagnosis >> Accessories & Equipment >> Communication Devices >> Multiplex Integrated Control System >> Circuit Diagram
April 5, 2026: LEMON Manuals is launched! Read the announcement.

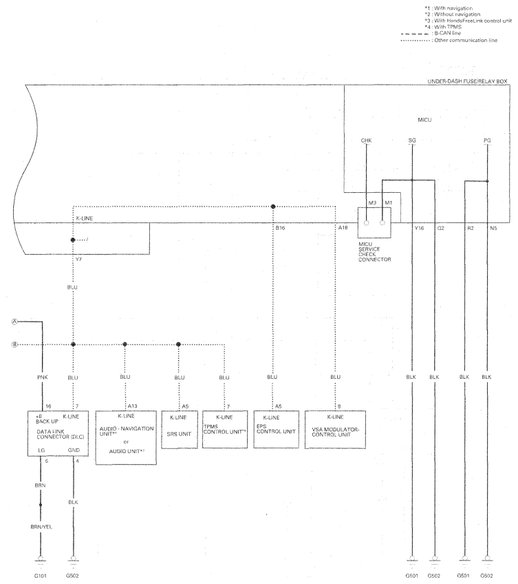
Circuit Diagram

Fig 1: Multiplex Integrated Control System - Circuit Diagram (1 Of 2)
G06953867Courtesy of AMERICAN HONDA MOTOR CO., INC.
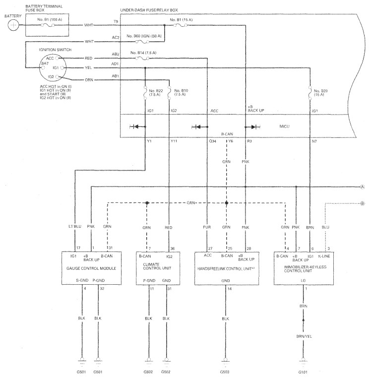
Fig 2: Multiplex Integrated Control System - Circuit Diagram (2 Of 2)
G06953868Courtesy of AMERICAN HONDA MOTOR CO., INC.