LEMON Manuals: Even more car manuals for everyone: 1960-2025
Home >> Honda >> 2013 >> CR-Z Base, Standard Trans >> Repair and Diagnosis >> Brakes >> Traction Control >> VSA System Components >> Circuit Diagram
April 5, 2026: LEMON Manuals is launched! Read the announcement.

Circuit Diagram

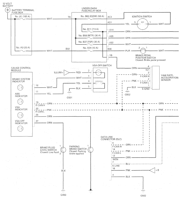
Fig 1: VSA System - Circuit Diagram (1 Of 2)
G06953220Courtesy of AMERICAN HONDA MOTOR CO., INC.
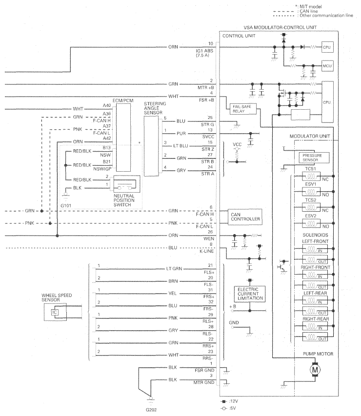
Fig 2: VSA System - Circuit Diagram (2 Of 2)
G06953221Courtesy of AMERICAN HONDA MOTOR CO., INC.
Fig 3: Identifying VSA System Connectors
G06953222Courtesy of AMERICAN HONDA MOTOR CO., INC.