LEMON Manuals: Even more car manuals for everyone: 1960-2025
Home >> Honda >> 2013 >> CR-Z Base, Standard Trans >> Repair and Diagnosis >> External Pages >> Different variant/trim >> Section 1 (CVT) >> CVT >> System Description >> Hydraulic Flow >> P Position
April 5, 2026: LEMON Manuals is launched! Read the announcement.

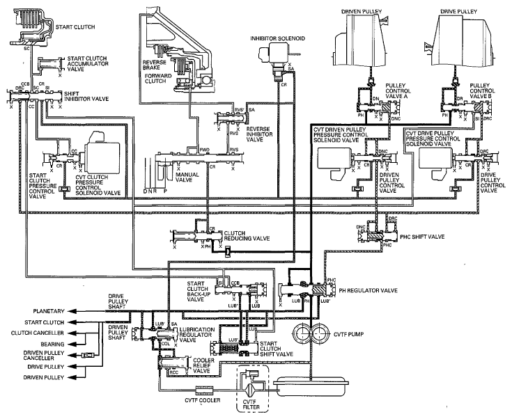
P Position

WARNING: This page is about a different variant/trim than selected.

The manual valve is shifted into the P position, and the manual valve blocks hydraulic pressure to the forward clutch. Hydraulic pressure is not applied to the start and forward clutches, and power is not transmitted to the drive pulley shaft.

Fig 1: P Position - Hydraulic Flow Diagram
G06950906Courtesy of AMERICAN HONDA MOTOR CO., INC.