LEMON Manuals: Even more car manuals for everyone: 1960-2025
Home >> Honda >> 2013 >> CR-Z Base, Standard Trans >> Repair and Diagnosis >> Steering >> Power Steering >> EPS System >> Circuit Diagram
April 5, 2026: LEMON Manuals is launched! Read the announcement.

Circuit Diagram

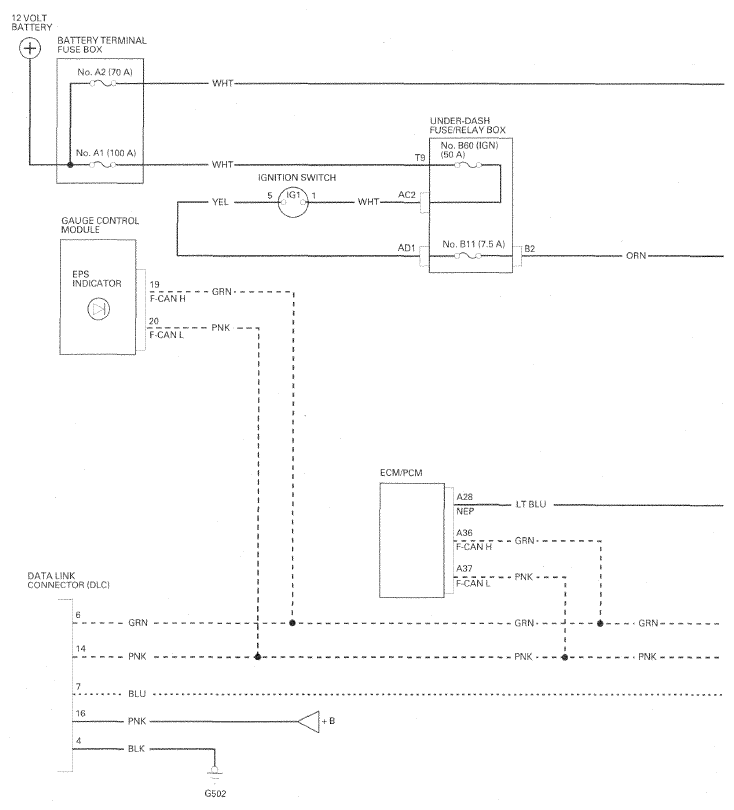
Fig 1: EPS - Circuit Diagram (1 Of 2)
G06952883Courtesy of AMERICAN HONDA MOTOR CO., INC.
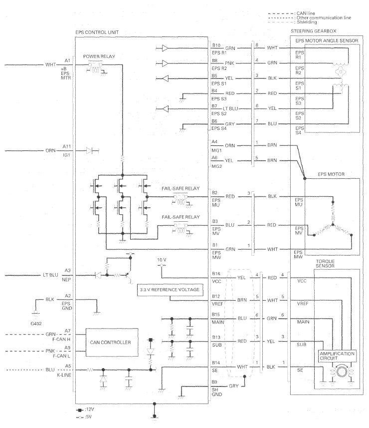
Fig 2: EPS - Circuit Diagram (2 Of 2)
G06952884Courtesy of AMERICAN HONDA MOTOR CO., INC.
Fig 3: Identifying EPS Connectors
G06952885Courtesy of AMERICAN HONDA MOTOR CO., INC.