LEMON Manuals: Even more car manuals for everyone: 1960-2025
Home >> Honda >> 2013 >> Fit Base, Automatic Trans >> Repair and Diagnosis >> Accessories & Equipment >> Anti-Theft Systems >> Keyless/Power Door Locks/Security System >> Circuit Diagram
April 5, 2026: LEMON Manuals is launched! Read the announcement.

Circuit Diagram

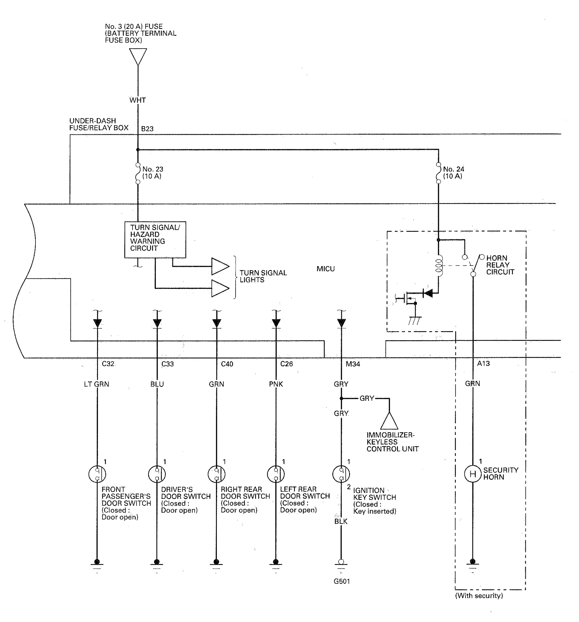
Fig 1: Identifying Keyless/Power Door Locks/Security System Circuit Diagram (1 Of 4)
G05959946Courtesy of AMERICAN HONDA MOTOR CO., INC.
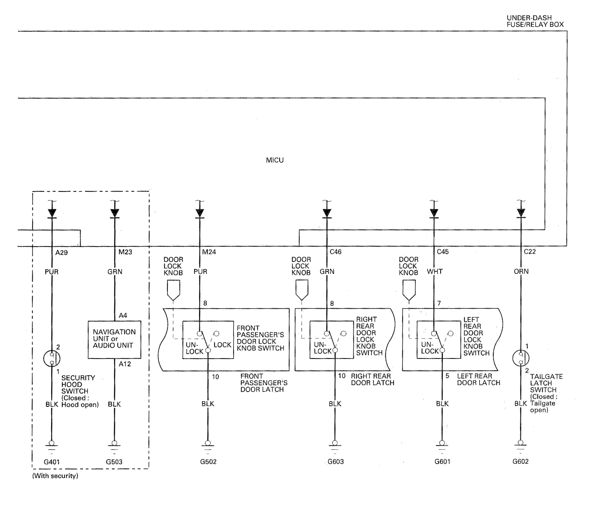
Fig 2: Identifying Keyless/Power Door Locks/Security System Circuit Diagram (2 Of 4)
G05959947Courtesy of AMERICAN HONDA MOTOR CO., INC.
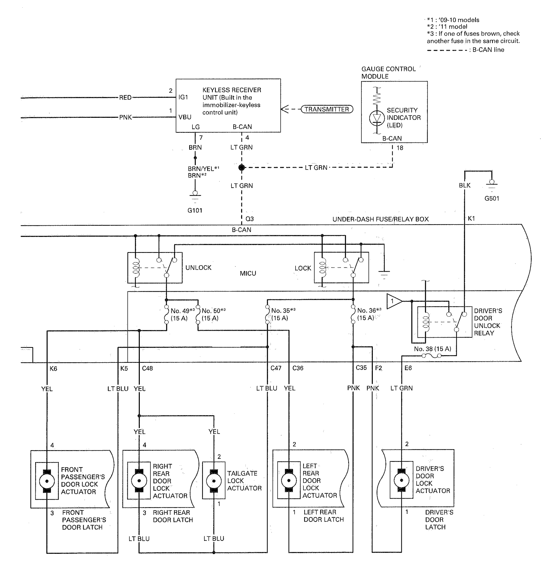
Fig 3: Identifying Keyless/Power Door Locks/Security System Circuit Diagram (3 Of 4)
G05959948Courtesy of AMERICAN HONDA MOTOR CO., INC.
Fig 4: Identifying Keyless/Power Door Locks/Security System Circuit Diagram (4 Of 4)
G05959949Courtesy of AMERICAN HONDA MOTOR CO., INC.