LEMON Manuals: Even more car manuals for everyone: 1960-2025
Home >> Honda >> 2013 >> Fit Base, Automatic Trans >> Repair and Diagnosis >> Brakes >> Traction Control >> Abs (Anti-Lock Brake System) >> ABS Modulator - Control Unit Removal and Installation >> Removal
April 5, 2026: LEMON Manuals is launched! Read the announcement.

ABS Modulator - Control Unit Removal and Installation: Removal

  1. Turn the ignition switch to LOCK (0).
  2. Move the washer reservoir (see WIPER ARM REPLACEMENT ).
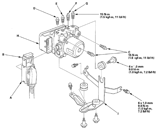
  3. Disconnect the ABS modulator-control unit 25P connector (A) by pulling up the lock (B); the connector disconnects itself.
    Fig 1: Identifying ABS Modulator-Control Unit Replacement Components With Torque Specifications
    G05959262Courtesy of AMERICAN HONDA MOTOR CO., INC.
  4. Disconnect the six brake lines from the ABS modulator-control unit.
    NOTE: Brake lines are connected to the master cylinder (C) and to the right-front (D), the left-rear (E), the right-rear (F), and the left-front (G) brake systems.
  5. Remove the ABS modulator-control unit (H) with the bracket (I) from the body.
  6. Remove the ABS modulator-control unit from the bracket.