LEMON Manuals: Even more car manuals for everyone: 1960-2025
Home >> Honda >> 2013 >> Fit Base, Automatic Trans >> Repair and Diagnosis >> Transmission >> Automatic Trans >> Automatic Transmission >> A/T Interlock System >> Shift Lock Stop/Shift Lock Stop Cushion Replacement
April 5, 2026: LEMON Manuals is launched! Read the announcement.

Shift Lock Stop/Shift Lock Stop Cushion Replacement

  1. Remove the center console (see CENTER CONSOLE REMOVAL/INSTALLATION ).
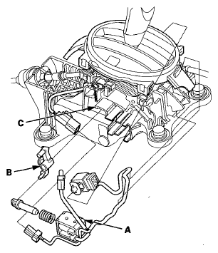
  2. Remove the shift lock solenoid assembly (A) (see SHIFT LOCK SOLENOID REPLACEMENT ).
    Fig 1: Removing Shift Lock Solenoid Assembly
    G06768595Courtesy of AMERICAN HONDA MOTOR CO., INC.
  3. Remove the shift lock stop/stop cushion (B), and replace them as an assembly.
  4. Apply silicone grease to the pin (C) on the shift lever bracket base, and install the shift lock stop over the pin. Keep the connector terminals free of silicone grease.
    NOTE: Make sure not to get any silicone grease on the terminal part of the connectors and switches, especially if you have silicone grease on your hands and gloves.
  5. Install the shift lock solenoid assembly (see SHIFT LOCK SOLENOID REPLACEMENT ).
  6. Install the center console (see CENTER CONSOLE REMOVAL/INSTALLATION ).