LEMON Manuals: Even more car manuals for everyone: 1960-2025
Home >> Honda >> 2013 >> Insight Base >> Repair and Diagnosis (Single Page) >> Engine Performance >> System >> Advanced Diagnostics >> DTC P0506: Idle Control System RPM Lower Than Expected >> Notes
April 5, 2026: LEMON Manuals is launched! Read the announcement.

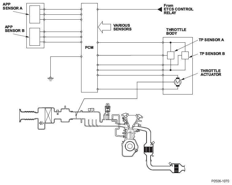
DTC P0506: Idle Control System RPM Lower Than Expected: Notes

Fig 1: Idle Control System - Circuit Diagram
G06617521
Fig 2: Idle Speed Versus Time Graph (Normal And Failure Operation)
G08561130