LEMON Manuals: Even more car manuals for everyone: 1960-2025
Home >> Honda >> 2013 >> Insight Base >> Repair and Diagnosis >> Brakes >> Traction Control >> VSA System Components >> VSA Modulator-Control Unit Removal and Installation >> Removal
April 5, 2026: LEMON Manuals is launched! Read the announcement.

VSA Modulator-Control Unit Removal and Installation: Removal

  1. Turn the ignition switch to LOCK (0).
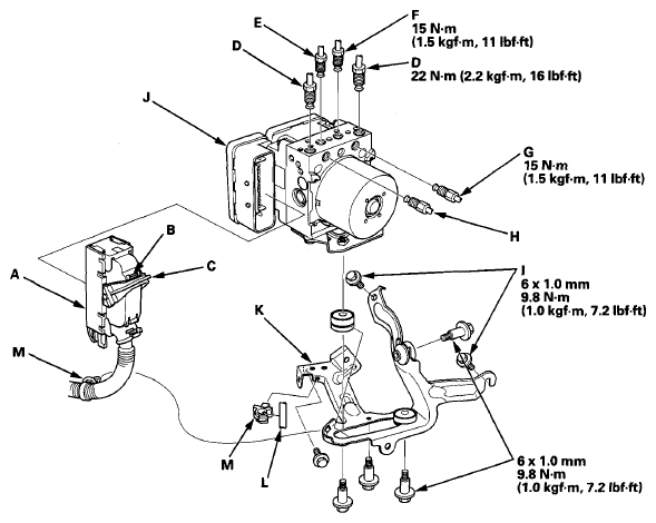
  2. Disconnect the VSA modulator-control unit 47P connector (A) by pushing the lock (B) and pulling down the lever (C); the connector disconnects itself.
    Fig 1: VSA Modulator-Control Unit 47P Connector, Lock, Lever And Master Cylinder Brake Lines With Torque Specifications
    G08093875Courtesy of AMERICAN HONDA MOTOR CO., INC.
  3. Disconnect the six brake lines from the VSA modulator-control unit.
    NOTE: Brake lines are connected to the master cylinder (D) and to the left-front (E), the right-front (F), the left-rear (G), and the right-rear (H) brake systems.
  4. Remove the 6x16 mm flange bolt (I), then remove the VSA modulator-control unit (J) with the bracket (K) from the body.
  5. Remove the receiver line (L) from the bracket, then remove the clips (M).
  6. Remove the VSA modulator-control unit from the bracket.