LEMON Manuals: Even more car manuals for everyone: 1960-2025
Home >> Honda >> 2013 >> Insight Base >> Repair and Diagnosis >> External Pages >> Different car >> Section 2 (IMA System) >> Circuit Diagram
April 5, 2026: LEMON Manuals is launched! Read the announcement.

Circuit Diagram

WARNING: This page is about a different car, the 2011 Honda Insight and 2010 Honda Insight. However, it is still accessible from the selected car via links, so may be relevant.
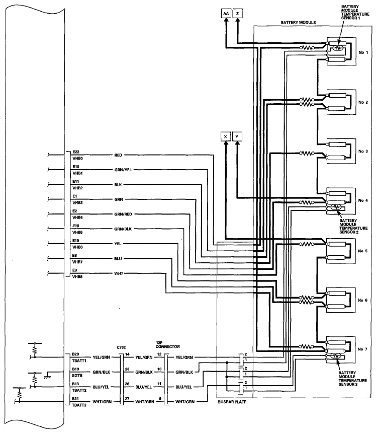
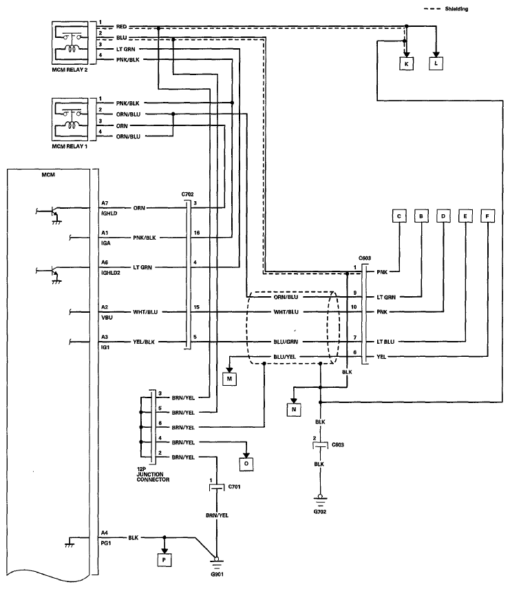
Fig 1: IMA System Circuit Diagram (1 Of 7)
G06429682Courtesy of AMERICAN HONDA MOTOR CO., INC.
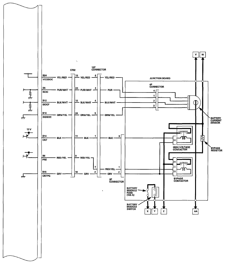
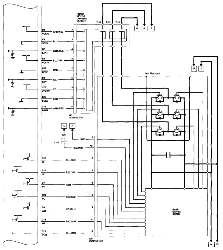
Fig 2: IMA System Circuit Diagram (2 Of 7)
G06429683Courtesy of AMERICAN HONDA MOTOR CO., INC.
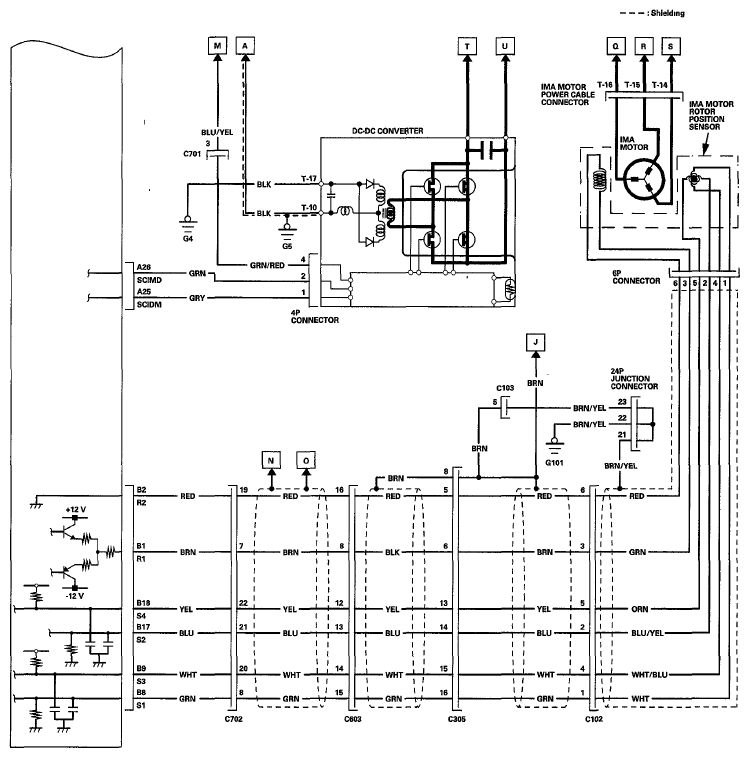
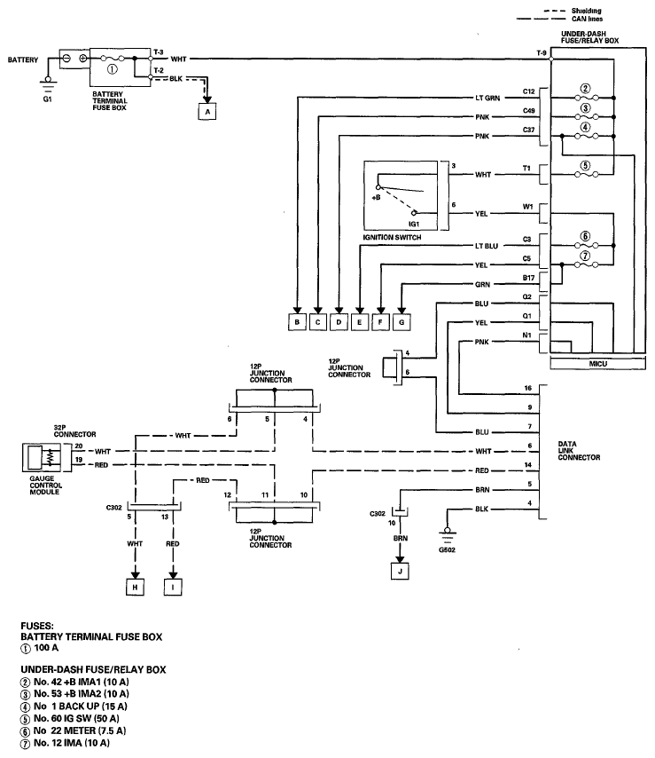
Fig 3: IMA System Circuit Diagram (3 Of 7)
G06429684Courtesy of AMERICAN HONDA MOTOR CO., INC.
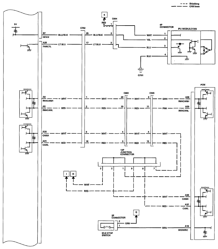
Fig 4: IMA System Circuit Diagram (4 Of 7)
G06429685Courtesy of AMERICAN HONDA MOTOR CO., INC.
Fig 5: IMA System Circuit Diagram (5 Of 7)
G06429686Courtesy of AMERICAN HONDA MOTOR CO., INC.
Fig 6: IMA System Circuit Diagram (6 Of 7)
G06429687Courtesy of AMERICAN HONDA MOTOR CO., INC.
Fig 7: IMA System Circuit Diagram (7 Of 7)
G06429688Courtesy of AMERICAN HONDA MOTOR CO., INC.
Fig 8: Identifying IMA System Connectors
G06429689Courtesy of AMERICAN HONDA MOTOR CO., INC.