LEMON Manuals: Even more car manuals for everyone: 1960-2025
Home >> Honda >> 2013 >> Insight Base >> Repair and Diagnosis >> External Pages >> Different car >> Section 58 (Audio System) >> Circuit Diagram >> Without Navigation (DX Model)
April 5, 2026: LEMON Manuals is launched! Read the announcement.

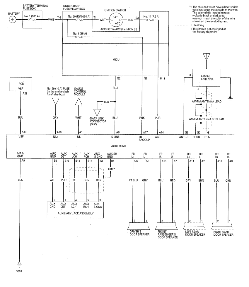
Without Navigation (DX Model)

WARNING: This page is about a different car, the 2011 Honda Insight and 2010 Honda Insight. However, it is still accessible from the selected car via links, so may be relevant.
Fig 1: Audio System Diagram - Without Navigation (DX Model)
G00501848Courtesy of AMERICAN HONDA MOTOR CO., INC.