LEMON Manuals: Even more car manuals for everyone: 1960-2025
Home >> Honda >> 2013 >> Insight Base >> Repair and Diagnosis >> Transmission >> Automatic Trans >> CVT >> System Description >> Hydraulic Flow >> N Position
April 5, 2026: LEMON Manuals is launched! Read the announcement.

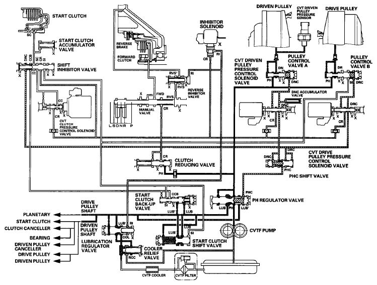
N Position

Fluid from the CVTF pump is regulated to high pressure at the pressure high (PH) regulator valve, and flows to the pulley control valves. The CVT driven pulley pressure control solenoid valve and the CVT drive pulley pressure control solenoid valve control pulley, control valves A and B, which apply pressure to the pulleys. The driven pulley receives pressure higher than the pressure the drive pulley receives. Hydraulic pressure to the forward clutch is blocked by the manual valve, and hydraulic pressure to the start clutch is blocked by the CVT clutch pressure control solenoid valve. Under this condition, hydraulic pressure is not applied to the start clutch and the forward clutch.

Fig 1: Hydraulic Pressure Flow Circuit Diagram (N Position)
G08093037Courtesy of AMERICAN HONDA MOTOR CO., INC.