LEMON Manuals: Even more car manuals for everyone: 1960-2025
Home >> Honda >> 2013 >> Insight Base >> Repair and Diagnosis >> Transmission >> Automatic Trans >> CVT >> Vehicle Speed Sensor Replacement
April 5, 2026: LEMON Manuals is launched! Read the announcement.

Vehicle Speed Sensor Replacement

  1. Remove the air cleaner (see AIR CLEANER REMOVAL/INSTALLATION ).
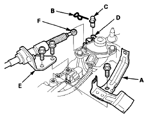
  2. Remove the heater hose clamps (A) and the IMA motor power cable clamps (B) from the bracket.
    Fig 1: Identifying Heater Hose Clamps And IMA Motor Power Cable Clamps
    G08093136Courtesy of AMERICAN HONDA MOTOR CO., INC.
  3. Disconnect the transmission range switch 8P connector (A) and the CVT output shaft (driven pulley) speed sensor 3P connector (B).
    Fig 2: Identifying Transmission Range Switch 8P Connector And Harness Clamp
    G08093137Courtesy of AMERICAN HONDA MOTOR CO., INC.
  4. Remove the harness clamp (C) and the harness holder clamp (D) from the harness clamp bracket.
  5. Remove the ground terminal bracket (A) from the transmission mount (B).
    Fig 3: Identifying Ground Terminal Bracket And Transmission Mount
    G08093138Courtesy of AMERICAN HONDA MOTOR CO., INC.
  6. Remove the harness clamp bracket (A).
    Fig 4: Identifying Snap Pin, Control Pin, Control Lever And Harness Clamp Bracket
    G08093139Courtesy of AMERICAN HONDA MOTOR CO., INC.
  7. Remove the snap pin (B) and the control pin (C) from the control lever (D).
  8. Remove the bolts securing the shift cable holder (E), then separate the shift cable (F) from the control lever.
  9. Disconnect the vehicle speed sensor 3P connector (A), and remove the vehicle speed sensor (B).
    Fig 5: Vehicle Speed Sensor Assembly With Torque Specifications
    G08093140Courtesy of AMERICAN HONDA MOTOR CO., INC.
  10. Install a new O-ring (C) on a new vehicle speed sensor, then install the vehicle speed sensor in the transmission housing.
  11. Check the connector for rust, dirt, or oil, and clean or repair if necessary, then connect the connector securely.
  12. Apply molybdenum grease to the center of the shift cable end collar (A). Attach the shift cable end to the selector control lever (B). Insert the control pin (C) through the selector control lever hole (D), through the shift cable end hole, and into the selector control lever slotted hole (E) in the direction shown. Push the control pin until its flange (F) contacts the selector control lever surface.
    Fig 6: Identifying Molybdenum Grease Applying Area To Center Of Shift Cable End Collar
    G08093141Courtesy of AMERICAN HONDA MOTOR CO., INC.
  13. Insert the snap pin (G) in the direction shown through the control pin hole and out the opening (H) of the selector control lever so that the hooked end (I) of the snap pin snaps into the countersunk hole (J) of the control pin.
  14. Secure the shift cable holder on the transmission with the bolts.
  15. Install the harness clamp bracket.
  16. Install the ground terminal bracket (A).
    Fig 7: Ground Terminal Bracket And Bolt With Torque Specifications
    G08093142Courtesy of AMERICAN HONDA MOTOR CO., INC.
  17. Install the harness clamps (A) and the harness hold clamp (B).
    Fig 8: Identifying Transmission Range Switch 8P Connector, Harness Clamps And Harness Hold Clamp
    G08093143Courtesy of AMERICAN HONDA MOTOR CO., INC.
  18. Connect the transmission range switch 8P connector (C), and the CVT output shaft (driven pulley) speed sensor 3P connector (D).
  19. Install the heater hose clamps (A) and IMA motor power cable clamp (B).
    Fig 9: Identifying Heater Hose Clamps And IMA Motor Power Cable Clamp
    G08093144Courtesy of AMERICAN HONDA MOTOR CO., INC.
  20. Install the air cleaner (see AIR CLEANER REMOVAL/INSTALLATION ).