LEMON Manuals: Even more car manuals for everyone: 1960-2025
Home >> Honda >> 2013 >> Insight EX >> Repair and Diagnosis (Single Page) >> Engine Performance >> System >> Advanced Diagnostics >> DTC P1891: Problem in Start Clutch Control System >> Notes
April 5, 2026: LEMON Manuals is launched! Read the announcement.

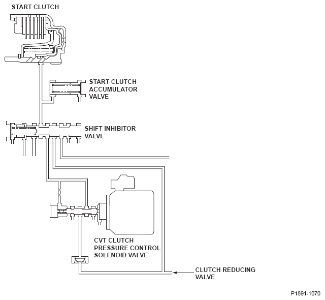
DTC P1891: Problem in Start Clutch Control System: Notes

Fig 1: Start Clutch Control - System Diagram
G06617658
Fig 2: Start Clutch Control System Throttle Position Versus Vehicle Speed Graph
G06617659