LEMON Manuals: Even more car manuals for everyone: 1960-2025
Home >> Honda >> 2013 >> Insight EX >> Repair and Diagnosis (Single Page) >> Engine Performance >> System >> Advanced Diagnostics >> DTC P2101: Electronic Throttle Control System (ETCS) Malfunction >> Notes
April 5, 2026: LEMON Manuals is launched! Read the announcement.

DTC P2101: Electronic Throttle Control System (ETCS) Malfunction: Notes

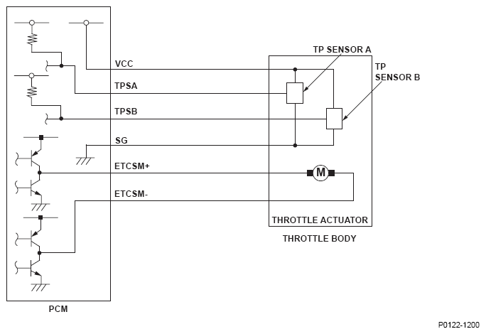
Fig 1: Electronic Throttle Control System (ETCS) - Circuit Diagram
G08568422