LEMON Manuals: Even more car manuals for everyone: 1960-2025
Home >> Honda >> 2013 >> Insight LX >> Repair and Diagnosis >> Body & Frame >> Windows >> Power Windows >> Circuit Diagram
April 5, 2026: LEMON Manuals is launched! Read the announcement.

Circuit Diagram

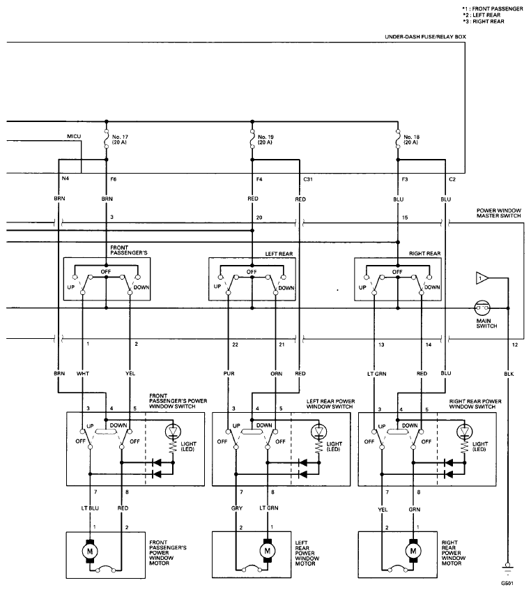
Fig 1: Power Windows - Circuit Diagram (1 Of 2)
G08094714Courtesy of AMERICAN HONDA MOTOR CO., INC.
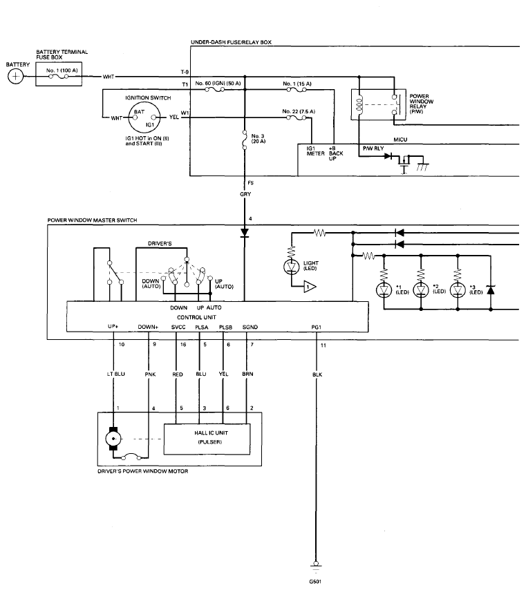
Fig 2: Power Windows - Circuit Diagram (2 Of 2)
G08094715Courtesy of AMERICAN HONDA MOTOR CO., INC.