LEMON Manuals: Even more car manuals for everyone: 1960-2025
Home >> Honda >> 2013 >> Odyssey EX >> Repair and Diagnosis (Single Page) >> Body & Frame >> Seats >> Driver Position Memory System (DPMS) >> Circuit Diagram - Driver's Power Seat
April 5, 2026: LEMON Manuals is launched! Read the announcement.

Circuit Diagram - Driver's Power Seat

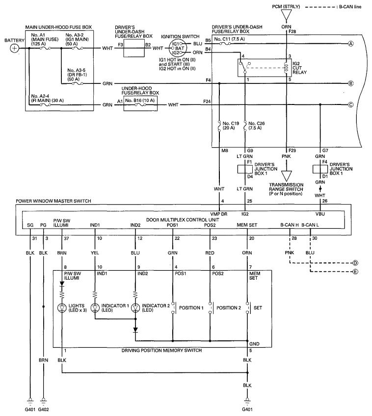
Fig 1: Driver's Power Seat Circuit Diagram (1 Of 4)
G06970141Courtesy of AMERICAN HONDA MOTOR CO., INC.
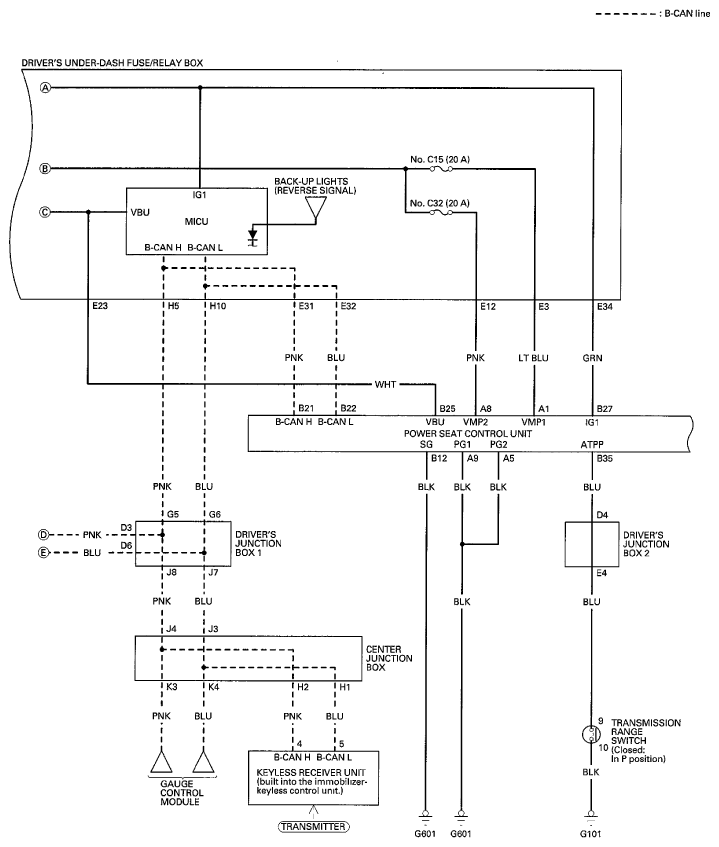
Fig 2: Driver's Power Seat Circuit Diagram (2 Of 4)
G06970142Courtesy of AMERICAN HONDA MOTOR CO., INC.
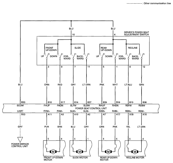
Fig 3: Driver's Power Seat Circuit Diagram (3 Of 4)
G06970143Courtesy of AMERICAN HONDA MOTOR CO., INC.
Fig 4: Driver's Power Seat Circuit Diagram (4 Of 4)
G06970144Courtesy of AMERICAN HONDA MOTOR CO., INC.