LEMON Manuals: Even more car manuals for everyone: 1960-2025
Home >> Honda >> 2013 >> Ridgeline RT >> Repair and Diagnosis (Single Page) >> Engine Performance >> System >> Advanced Diagnostics >> DTC P2101: Electronic Throttle Control System (ETCS) Malfunction >> Notes
April 5, 2026: LEMON Manuals is launched! Read the announcement.

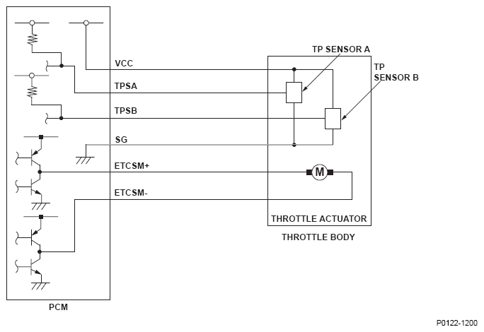
DTC P2101: Electronic Throttle Control System (ETCS) Malfunction: Notes

Fig 1: Electronic Throttle Control System (ETCS) Malfunction - Wiring Diagram
G08569344Courtesy of AMERICAN HONDA MOTOR CO., INC.