LEMON Manuals: Even more car manuals for everyone: 1960-2025
Home >> Honda >> 2013 >> Ridgeline RT >> Repair and Diagnosis >> Accessories & Equipment >> Infotainment >> Navigation System >> Navigation Unit Removal/Installation
April 5, 2026: LEMON Manuals is launched! Read the announcement.

Navigation Unit Removal/Installation

SRS components are located in this area. Review the SRS component location (see COMPONENT LOCATION INDEX ) and the precautions and procedures (see PRECAUTIONS AND PROCEDURES ) in the SRS section before doing repairs or service.

NOTE:
  • Before you replace the navigation unit, back-up the customer data using system diagnostic mode save users memory under the functional set up (see SAVE USERS MEMORY ).
  • If the navigation unit is replaced or disconnected, a Map Matching must be done (see MAP MATCHING ).
  1. Turn the ignition switch to ON (II).
  2. Eject the DVD from the original navigation unit (see DVD-ROM REPLACEMENT ). To avoid scratching or damaging the DVD, temporarily place the DVD in a jewel case.
    NOTE: If the navigation DVD does not eject, refer to the Navigation unit will not eject or accept the navigation DVD troubleshooting (see NAVIGATION UNIT WILL NOT EJECT OR ACCEPT THE NAVIGATION DVD ).
  3. Turn the ignition switch to LOCK (0).
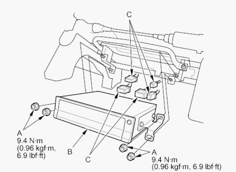
  4. Remove the nuts (A), then pull out the navigation unit (B).
    Fig 1: Identifying Navigation Unit And Bolts
    G00510908Courtesy of AMERICAN HONDA MOTOR CO., INC.
  5. Disconnect the connectors (C), then remove the navigation unit.
  6. Remove the screws and the bracket (A).
    Fig 2: Identifying Bracket And Screws
    G05969170Courtesy of AMERICAN HONDA MOTOR CO., INC.
  7. Install the navigation unit in the reverse order of removal.
  8. Turn the ignition switch to ON (II), then reinstall the customer's original navigation DVD, verifying that the DVD is free of scratches or smudges.
  9. Check any official Honda service website for more service information about patches for the navigation system. Apply any prescribed patches to the new navigation unit.
    NOTE:
    • Simply transferring the navigation DVD from the original navigation unit to the new navigation unit does not assure the correct software for the vehicle will be loaded into the new navigation unit. Doing the navigation DVD transfer without doing software patches may cause the new navigation unit to appear to be malfunctioning.
    • The latest navigation software does not come loaded in a new navigation unit. If you load the original navigation DVD into the new navigation unit and an error message stating that the DVD is outdated appears on screen, it means that there is a newer DVD available. When the navigation unit was built, the manufacturer installed a higher version number in the units memory. There are two methods to resolve the issue:
      • Have the customer purchase a new navigation DVD (see OBTAINING A NAVIGATION DVD ).
      • Download the software from the original navigation DVD. See the downloading procedure under Version (see VERSION ).
  10. Enter the new navigation anti-theft code.
  11. Park the vehicle outside, and do the GPS initialization (see GPS INITIALIZATION ).
  12. Give the new navigation anti-theft code to the customer.